ESpec - мир электроники для профессионалов


Ремонт видеокарты msi n295gtx

  Список форумов » Настольные компьютеры

Следующая тема · Предыдущая тема
АвторСообщение
kostya35 
Заглянувший
Сообщения: 5
 
Сообщение #1 От 14/10/2020 16:48 цитата  

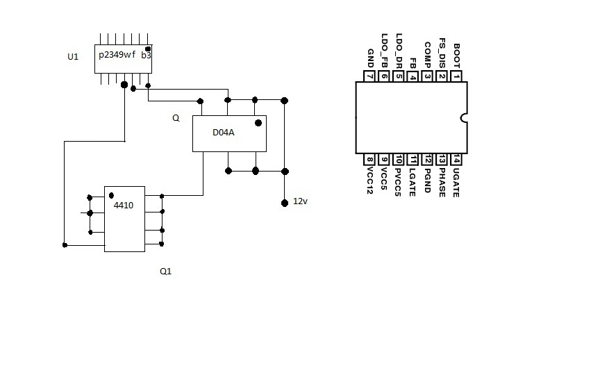
Помогите опознать элемент d04a в корпусе SOT23-6 на плате обозначено как Q3. Идет на микросхему p2349wf B3 на 12(pgnd) и 14(ugate) ноги. Видеокарта ВИДЕОКАРТА msi n295gtx. Если поможете опознать и микросхему p2349wf B3 то будет вообще прекрасно, я только нашел как пишут ее аналог 6549cbz.
Прилагаю картинку, а то на фото ни чего не видно

  602743.jpg  38.81 КБ  Скачано: 277 раз(а)
n max 
Модератор
<B>Модератор</B>
Сообщения: 17623
 
Сообщение #2 От 14/10/2020 17:55 цитата  

https://www.renesas.com/eu/en/www/doc/datasheet/isl6549.pdf

Перейти: 
Следующая тема · Предыдущая тема
Показать/скрыть Ваши права в разделе

Интересное от ESpec


Другие темы раздела Настольные компьютеры



Rambler's Top100 Рейтинг@Mail.ru liveinternet.ru