| Автор | Сообщение |
|
FELEX
|
Машина с КА и модулем REMCO 5015 (контроллер CANDY-03).
KA: Type 900 914/3225 9120354.7
Зав. Номер 399 80 800 9814 4868.
Работает всё, кроме двигателя. Наливает, сливает, выдерживает цикл и время программы, нагревает воду.
При этом абсолютное молчание двигателя. Двигатель исправен, тахом. тоже. На модуль поступает напряж. 220 В. Большой резюк греется.
Напряжения 24 В и 5 В в модуле присутствуют.
Реле двигателя не переключается, сигнал не приходит, транзисторы в норме. На семисторе 220 В отсутствует.
Проверил следуюшие контакты КА: С03, С05, С07, С09. Контакты в норме, как на Т, так и на В.
Вопрос: Каким контактом включается команда на вращение двигателя? Можно ли включить модуль на столе, без машинки, (двигло имеется), опять же, каким образом задать вращение?
Если требуется, могу выложить фото модуля.
С коммутацией разобрался, нашел тему, с подробностями.
Вот модуль:
remco_5015_182.pdf 319.41 КБ Скачано: 1015 раз(а)
|
|
некрас
Сделанный в СССР
Сообщения: 1135
|
| Посмотри замок, через него идёт питание на двигатель. |
|
|
FELEX
|
| некрас, Cудя по схеме, если был бы виноват замок, то не работала бы и вся машинка. Возможно виноват кварц, но при этом хоть какие нибудь движения двигателя были. Однако он абсолютно спокоен. |
|
Сергей
Передовик
Сообщения: 1919
|
| FELEX, выложи фото модуля, и, если можно, подробности как перестал вращатся мотор. Кстати мотор какой, асинсронный или щеточный? |
|
некрас
Сделанный в СССР
Сообщения: 1135
|
| Вообще-то, на многих машинах группы Candy питание на двиг идёт через замок, и если дверь приоткрыта, то вода будет сливаться и заливаться, а движок молчать. |
|
Сергей
Передовик
Сообщения: 1919
|
| FELEX, замок пятиконтактный или трех контактный?(это вообще вертикалка ?)... |
|
|
FELEX
|
Сергей, Фото модуля вверху.
Двиг щёточный, встал во время стирки, подробностей не было замечено. Замок трехконтактный. Машина с фронтальной загрузкой, группы CANDY HOLIDAY, но с двумя прессостатами.
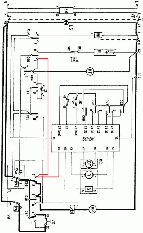
некрас, смотри схему:
ДОБАВЛЕНО 06/11/2007 05:00
На Y1 и Y3 напряжение относительно Y2 - 220 В присутствует.
ZEROWATT_LADIZERO X33-800-уменьшенная.gif 86.86 КБ Скачано: 3000 раз(а)
|
|
|
alshni
|
| FELEX писал: | | На семисторе 220 В отсутствует | вот это вызывает много вопросов, отсюда и ищи! |
|
Сергей
Передовик
Сообщения: 1919
|
| FELEX, действительно ли срабатывает замок? У вертикалок группы CANDY при неработающем замке всё будет выполнятся, кроме вращения мотора... |
|
|
FELEX
|
alshni, 220 В семистору даёт реле, которое управляется контроллером через два транзистора ВС327.
Контроллер молчит.
Сергей, Согласно схемы, на этой машинке, если контакты замка не будут замкнуты, то не будет работать ничего. Только лампочка будет гореть. Замок срабатывает, проверял на самом замке, контакты замыкаются и проводят ток, но вот цепь конкретно не проверил (от замка до модуля).
Но мерил на самом модуле, как писал выше| FELEX писал: | | На Y1 и Y3 напряжение относительно Y2 - 220 В присутствует. |
Клемма Y1 на модуле - это "N". Клемма Y3 (on-off) - поступление команды на включение двигла. Только еще не понятно включение - это "0" или "220" ???
Клемма Y2 - это "L".
Всё!!! Остальное: форма и скорость работы (Z1...Z7), нагрузка (X2..X5), тахометр (Z6,Z7).
Работу модуля можно проверить на столе, желательно с использованием двигателя для чистоты эксперимента..... |
|
|
alshni
|
FELEX, может быть ошибаюсь, но почему то был уверен, что RL2 на этом модуле служит для перекоммутации обмоток статора и ротора (реверс), а если управление реле через тр-р Т3 смотри есть ли управление на базу этого транз-ра с контроллера
Судя по фотке модуля, с 3 ноги проца через резюк R37 и T4 на базу Т3 |
|
|
FELEX
|
| Данный модуль можно заменить модулем REMCO 5016. |
|
|
vspishkins
|
| у меня был несправен резистор гасящий 5и6 килоом причем тестером меряешь все норм .Поставил нашсоветскийзел резистор на 10 вт и все |
|
шайтан
Виртуоз болгарки
Сообщения: 5915
|
vspishkins, ну и какого поднимать тему 5-ти летней давности - решил блеснуть познаниями?  |
|
constan
Передовик
Сообщения: 1301
|
| vspishkins писал: | | у меня был несправен резистор гасящий 5и6 килоом причем тестером меряешь все норм .Поставил нашсоветскийзел резистор на 10 вт и все |
Сказочник, а скорее измерять не умеешь.  |
|