| Автор | Сообщение |
|
ramzesiks
|
| Мдаа очень интересно,еще бы знать каких...........Но спасибо и за это |
|
iga
Заместитель Администратора
Сообщения: 12523
|
| Для авто не подойдёт. - - - - - - - - - На форуме ESpec 2 414 446 сообщений в 228 142 темах.
|
|
-20 dB
Фанат форума
Сообщения: 7674
|
| ramzesiks писал: | | Предложили как ПН 24-12в, токо не поняно принцип работы .Как заходит 24,так и выходит или я чего то не понимаю |
Зато я, кажись, понимаю... Хоть и не водила. У тебя в бибике что на массу идёт? От-то ж. И выход стаба тож на массе. Весело. А кой тода смысел во всей этой байде, ежели через массу регулирующий транзюк тупо закорочен?
Эта фигня разрабатывалась для какой-то КОНКРЕТНОЙ цели с ИЗОЛИРОВАННЫМ от массы источником входного 24 В. Более или менее её можно "переточить" под твои цели, заменив 7912 на 7812, перевернув всю схему в разрыв положительного провода, соответственно, со сменой полярности включения светодиода и заменой n-p-n на p-n-p (хотя, при таком "перевороте" исчезает всякая нетрадиционность схемы и и особые требования к ней, и дешевле и разумнее будет оставить тот-же n-p-n, включив его по традиционной схеме эмиттерного повторителя - тогда получим и абсолютно типовую схему включения 7812 с усилителем тока. Рой даташиты на 7812, она там). Кстати, 12 В эта схема выдаст БЕЗ светодиода. Со светодиодом напряжение на выходе будет 13,8...15 В.
Вопрос второй... Оно тебе надо? Особенно в указанном применении? Мало-мало математику считаем. Ну, цифры я взял от балды, ХЕЗ чо там у тебя включено: очень надо - свои подставишь:
24-14=10 В падает на стабилизаторе.
Ток во всей цепи одинаков. В варианте включенного ноута - ну, пускай, 5 А (вариант телевизора - примерно 1...2 А). На регулирующем транзисторе выделится мощность:
(Uвх-Uвых)*Iнагр = 10*5 = 50 Вт (!!!)
Итого, на 50 Вт(!) (вариант телевизора 10...20 Вт) - у тебя выходной транзистор будет чисто греть воздух, при этом, ес-сно, требуя соответствующего радиатора.
Надо? Ах, да, зима предвидится холодная - лишняя печка не помешает. Потому-то линейные регуляторы здесь даже и не рассматривались - с КПД 50% кому они нафиг нужны? |
|
|
ramzesiks
|
Собрал по этой схеме только с одним тр-м(на радиаторе от газона каммут), отдал на прогон.Греется как утюг.Магнитола у них пионер 4х50. моловато наверное одного кт 827. установил два кулера 40х40.Буду ждать результата.Да для защиты установил по выходу предохранитель и паралельно выходу стабилитрон на 15в.

|
|
-20 dB
Фанат форума
Сообщения: 7674
|
ramzesiks, ну, это больше похоже на истину... Только, чо-то помнится мне, для 7809 (КР142ЕН8Б) регулирующий резистор должен подпираться резистором с выхода микросхемы, иначе по расчёту лажа выходит: дата здесь, жуй стр.24 fig.9.
Тем не менее, хотя эта схемка уже более работоспособна, приведённые ранее выкладки по расчёту КПД и выделяемой на "обогревателе" (здесь: Т1...Т3) мощности остаются в силе... Это к:
| ramzesiks писал: | | Греется как утюг... моловато наверное одного кт 827... |
Хоть ты 10 их поставь - если площадь радиатора останется прежней, то и нагрев тоже. Хотел утюг - получил утюг. Кулер - выход из положения, но только по нагреву, жрать меньше мощности от этого твой стаб меньше не станет, только тепло в воздух будет эффективнее отдавать. Говорили тебе - не парь моцк линейными стабилизаторами, ставь импульсный.
Кстати, ещё по этой схеме: не мешало бы выровнять базовые токи включенных параллельно транзисторов, воткнув им в базы токовыравнивающие резисторы (навскидку - ом по 100, я думаю, хватит), иначе вся нагрузка будет приходиться только на один из трёх транзисторов (на тот, у которого коэффицент усиления выше окажется). |
|
|
beber
|
у меня вопрос господа занят аналогичной задачей но преобразованием 24v c бортовой сети в 220
вопрос заключается в необходимости использования фильтра в входных цепях для повышения надёжности и защиты преобразователя от помех генератора а также от перенапряжения
в аварийных ситуациях с электрикой в качестве преобразователя хочу использовать ups Powercom Imperial IMD-1200AP в качестве преобразователя и установить на входе ёмкость 10 000 мкф
есть смысл установить индуктивность как в автомагнитолах ? и что принять в расчёт |
|
|
EvgeniS
|
| beber писал: | | есть смысл установить индуктивность как в автомагнитолах ? | Есть смысл. Величина индуктивности не столь критична, важнее общая разводка. А то помехи мимо дросселя пролезут. | beber писал: | | в качестве преобразователя хочу использовать ups Powercom Imperial IMD-1200AP |
каким образом? у него вход 12В а не 24. или нет?
ДОБАВЛЕНО 18/12/2010 11:26
ramzesiks, между выходом КРЕН8Б и её вторым выводом должен быть резистор. Его номинал и R1 должны быть на уровни сотен Ом. (сие не фантазии, а написано в даташитах)
ДОБАВЛЕНО 18/12/2010 12:05
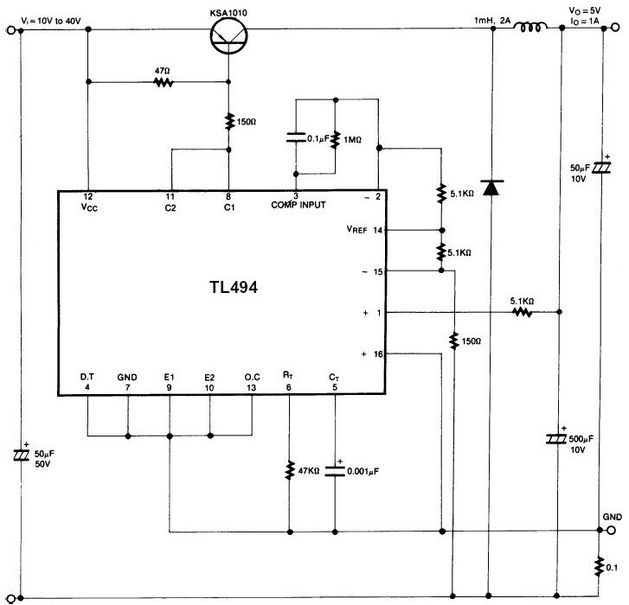
для интересующихся схема чоппера на 494 из даташита на неё.
Вообще чоппер имеет высокий КПД при низких напряжениях и больших токах, прост. Но при пробое регулирующего ключа входное напряжение будет на выходе, в прочем как и у любого линейного регулятора. Несколько сложнее двухтактная пушпульная схема, но она и надежнее в плане обесточки выхода при пробое.
при использовании в машине токовую защиту в земляном проводе (0.1 Ом) так делать нельзя.
Чоппер на TL494.jpg 37.47 КБ Скачано: 3507 раз(а)
|
|
|
beber
|
|
|
EvgeniS
|
| beber писал: | | у IMD-1200AP 24v две батареи |
"Все модели имеют HOT SWAP (горячая замена батарей)" Скорей всего две, но не последовательно. |
|
|
beber
|
последовательно ...
всё собрал на днях установим в машину и отпишусь... если всё будет нормально ещё 11 сделаю  |
|
|
EvgeniS
|
| Цитата: | | всё собрал на днях установим в машину и отпишусь |
Поставь по входу супрессоры на 30В, лучше несколько, и предохранитель, на случай повышенного напряжения в борт сети при оторванном аккумуляторе. |
|
|
beber
|
поставил бы да нема такого щастья  |
|
|
alex floka
|
Схема итальянского преобразователя
 |
|

|