ESpec - мир электроники для профессионалов


ViewSonic E71 занижены напруги с БП

  Список форумов » CRT-мониторы

Следующая тема · Предыдущая тема
АвторСообщение
SergSV 
Завсегдатай
Сообщения: 389
 
Сообщение #1 От 09/09/2005 07:10 цитата  

ViewSonic E71 модель VCDTS21569-2E занижены выходные напряжения.В место 175 и 75В по 35 , а вместо 6.3в и 16в практически по нулям.Посмотрел питание на КА3842 прыгает в пределах от 12.5 до 13.5в.КЗ по вторичным цепям нет.Если любой диод во вторичной цепи отпаять то напряжение на выходе плавно поднимается в место 35в становится 64в.Все элементы в первичке БП исправны.Все емкости электролиты и не электролиты в первичной цепи заменил.KA3842 также заменил.В чем причина?
TE 
Старший модератор
<B>Старший модератор</B>
Сообщения: 10199
 
Сообщение #2 От 09/09/2005 08:01 цитата  

Нельзя выпаивать диоды, они все задействованы ( один незадействованный можно) в обратной связи стабилизации выходных напряжений. Поменять R829 0,33 Ohm и IC804 типа 4N35.
ingenegr 
Фанат форума
Сообщения: 3387
 
Сообщение #3 От 09/09/2005 13:24 цитата  

SergSV, при 13 вольтах 3842 не запустится!!!!!проверяйте цепь самозапитки(7 нога и тд), проверить стабилитрон в тойже цепи электролиты тамже заменить
d2o 
Передовик
Сообщения: 1994
 
Сообщение #4 От 09/09/2005 20:32 цитата  

SergSV, а электролитик по питанию 3842 часом не в утечке ли??? Часто бывает.....
SergSV 
Завсегдатай
Сообщения: 389
 
Сообщение #5 От 09/09/2005 20:56 цитата  

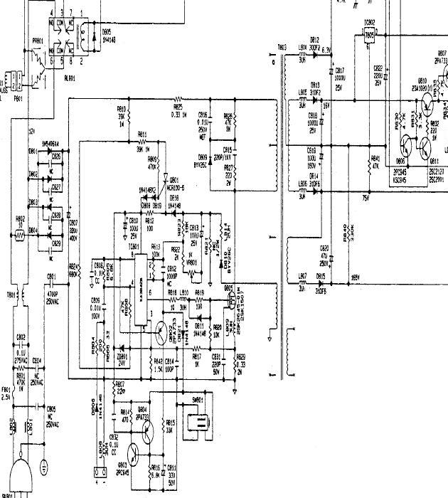
Привожу схему БП

Добавлено 09-09-2005 21:09

Все электролиты уже менял.Стабилитрон цел.R829 попробую заменю.

  Безымянный.JPG  82 КБ  Скачано: 1746 раз(а)
  Безымянный.JPG  109.28 КБ  Скачано: 1729 раз(а)
ingenegr 
Фанат форума
Сообщения: 3387
 
Сообщение #6 От 10/09/2005 13:08 цитата  

а цепь синхронизации жива?
SergSV 
Завсегдатай
Сообщения: 389
 
Сообщение #7 От 10/09/2005 22:30 цитата  

Заменил R839 после включения произошел бабах.Взорвался R839 R818 вылетел транзюк и микруха.Неужели транс в КЗ?
d2o 
Передовик
Сообщения: 1994
 
Сообщение #8 От 11/09/2005 01:38 цитата  

SergSV, если действительно только резюк заменил, значит лишнее КЗ сделал. Зачем менял вообще?
Нормальная схема лежит здесь: http://lenin66.narod.ru/viewsonic.htm ибо на вашей вырезке R839 нету
SergSV 
Завсегдатай
Сообщения: 389
 
Сообщение #9 От 11/09/2005 18:06 цитата  

d2o, ошибся не R839 а R829.Вырезка правильная в вашей схеме микруха 4N35 в этом монике ее нет.
ingenegr 
Фанат форума
Сообщения: 3387
 
Сообщение #10 От 12/09/2005 15:14 цитата  

возможно замененный резистор был большего номинала скажем ом10 такое возможно, а при кз в трансе будет хотяб запускаться вот демпфирующая цепь может дурить.меняй транзистор м/с резюки и скорее всего все будет работать
SergSV 
Завсегдатай
Сообщения: 389
 
Сообщение #11 От 16/09/2005 22:09 цитата  

Заменил выбитые детали на новые результата никакого.При отжатой кнопки включения на 7 ноге 3842 4В при нажатой 7.8В.
Пробывал менял тиристор,стабилитрон, остальные транзисторы, R810 и R811 R812.В чем причина немогу понять.
ingenegr 
Фанат форума
Сообщения: 3387
 
Сообщение #12 От 17/09/2005 12:15 цитата  

Q804, Q803 исправны?Q802, D821. Или можно попробовать так сделать: R807 отключить, выпаять Q805, включить моник в сеть и померить напряжение на 7й ноге 3842. по идее бахнуть недолжно
SergSV 
Завсегдатай
Сообщения: 389
 
Сообщение #13 От 22/09/2005 23:17 цитата  

Нашел неисправныйт диод звонился в обе стороны после его замены появилось напряжение питание, проверял без микрухи.После впаивания микросхем и включение все повторилось,Резюк R829 разлетелся и также все повыбивало.Скорее все транс готов.
Urri 
Бывалый
Сообщения: 59
 
Сообщение #14 От 23/09/2005 01:29 цитата  

Неисправных трансов в таких БП не встречал! Если бахнуло - я обычно делаю так: меняю полевик, резистор в истоке, ШИМ, все остальные активные элемены тщательно проверяю, если есть сомнения - выпаиваю и проверяю. Запитываю ШИМ от внешнего регулируемрого БП и смотрю импульсы на затворе полевика, если в норме, то отпаяв все нагрузки (в схемах без оптрона можно отпаивать все) и навесив лампочку вместо строчки, перекрестясь на всякий случай, втыкаю в сеть. В 99% случаев работает. Кстати, довольно часто причиной глюков в работе таких схем бывают неисправные элементы в демпферных цепях (в стоке полевика- диод, конденсаторы, резисторы). Удачи!
ingenegr 
Фанат форума
Сообщения: 3387
 
Сообщение #15 От 23/09/2005 12:30 цитата  

SergSV, провериь транс можно запитав девайс от ЛАТРа с пониженным напряжением. если чет не так то он будет шипеть свиристеть и тп
d2o 
Передовик
Сообщения: 1994
 
Сообщение #16 От 23/09/2005 23:59 цитата  

Др.вариант проверки транса: подать прямоугольные импульсы от калибровки осцила на какую-то обмотку -> есои форма импульов на др. обмотках будет искажена -> транс на помойку.

Перейти: 
Следующая тема · Предыдущая тема
Показать/скрыть Ваши права в разделе

Интересное от ESpec


Другие темы раздела CRT-мониторы



Rambler's Top100 Рейтинг@Mail.ru liveinternet.ru