| Автор | Сообщение |
pabel
Фанат форума
Сообщения: 5471
|
| Да все он "Вывернул",расфокусировал и яркость до конца (на передней панели). |
|
|
DenCent
|
ну мне показалось что и причина видения только нижней части меандра тоже в настройках ручек ))) ну да ладно,сделал так сделал  |
|
|
Deko
|
| pabel, DenCent, неа, не вывернул, вашими словами бы да все так решать, вернее не словами а поворотом ручек)) это как в советских телевизорах было, хозяева радовали помощью, сообщая "я там сзади покрутил ручки" )) |
|
pabel
Фанат форума
Сообщения: 5471
|
Deko,Я так понимаю что ты отдохнул?
Ну что же предъява тебе сделана,давай расказывай.
DenCent, | Цитата: | | автор решил проблему или нет??? |
|
|
-20 dB
Фанат форума
Сообщения: 7674
|
Ну ё-ё-ё-ёлки-палки. Опять флудильня, опять чистить.
Deko, осц с замкнутым входом включал? Результат по наводкам - в студию!
Чувствительность уменьшил - есть вопросы к меандру от калибровочного генератора?
Что за сигнал у тебя со светодиода, понял?
ЗЫ: бедный осц... Он верой и правдой, хотел как лучше, а его за ударный труд так охаяли... За правду. За точность. За душу его чувствительную.
Расстроенный ОМЛ, пожалуй, смог бы показать так, как от него ХОТЯТ, но у С1-68 есть рабочая гордость. Простой, но надёжный. И приведённые осциллограммы - тому доказательства. Его долго из терпения выводить придётся... Недаром ему, наравне с братом С1-65 наша оборонка 20 лет верила.
Но он не сдастся - скрутив ему все мозги, можно будет его "заставить" нарисовать типа классический меандр с генератора, но один хрен он не поверит, что на разомкнутом входе у него нет наводки. Не удастся его и убедить в том, что на светодиоде должен быть цифровой сигнал с амплитудой близкой к питанию пульта и ровными вершинками. Впрочем, насчёт амплитуды даже убитый ОМЛ-2 возмутится и встанет на сторону коллеги.
 |
|
|
kostique
|
а не подскажет ли кто номинал R42 - резистор на входе "1М, 50рF", (на схеме его номинала нет, а тех.описания с перечнем не нашел). Зато нашел в своем осцилле выпаленный вход. По идее он должен быть Ом 100, но гадать не хочется. Спасибо
Все, нашел, 330 Ом. Н-да. погарячился. Пост можете удалить. |
|
|
courier
|
Ну вот, тоже стал "счастливым" обладателем данного осциллографа. Возвращаясь из гаража, возле мусорки увидел кучку аппаратуры. В итоге выбрал С1-68, С1-94, В3-13, больше не в состоянии был утащить...
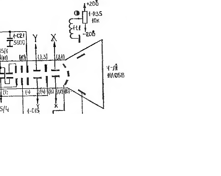
Включив осцилл, был поражён что он работает, но не всё так хорошо. Первое что не смог сделать - совместить линию развёртки с линией шкалы. Напряжения -20 +20 на 1-R35 есть, прозвонил катушку - не звонится. Подскажите, кто разбирал этот прибор, что она из себя представляет. Чтобы до неё добраться, я так понимаю надо снимать трубку. Насколько это сложно? Я так прикинул - пол осциллографа разобрать придется. И подлежит ли она ремонту?
Ну и второе - туговато переключаются галетники. Сложно ли их снимать? Думаю сделать профилактику, смазать, почистить контакты...
Вообще - в нем похоже ни кто ещё не лазил, пайка заводская, стрёмно как то, разберёшь и не соберёшь потом... 
Безымянный.jpg 52.63 КБ Скачано: 513 раз(а)
|
|
|
ionchik
|
добрый день! форумчане, может и мне поможете разобраться со своим калибратором, что-то не такой меандр как надо, фронтов вообще не видно!
п.с. - ослик с1-68, с генератора на вход по коаксиалу см 30
| DSC00020.JPG |
| Описание: |
|
| Размер файла: |
238.22 КБ |
| Просмотрено: |
280 раз(а) |

|
DSC00148.JPG 145.67 КБ Скачано: 372 раз(а)
DSC00149.JPG 196.57 КБ Скачано: 380 раз(а)
|
|
KRAB
Распугиватель клиентов
Сообщения: 21704
|
|
|
ionchik
|
| KRAB писал: | | оставь его в покое ... |
как сие понимать? |
|
tynalex
Фанат форума
Сообщения: 16963
|
| ionchik писал: | | KRAB писал: | | оставь его в покое ... |
как сие понимать? |
Скорее всего он имел в виду то, чтобы ты его не ломал! Там всё в порядке! А если ты в этом не понимаешь, то зачем что то ломать! Если хочешь проверить работу самого калибратора (его фронты, длительность, амплитуду) данного осцилографа, то нужен другой, заведомо исправный осцилограф, с согласованным кабелем, а потом только принимать какое то решение, имея при этом соответствующие знания.! |
|
|
ionchik
|
| tynalex писал: | | Там всё в порядке! |
просто до этого крутил такой же осцилл, и там даже на обычном проводе кинутым с калибратора на вход, просматривался довольно таки правильный меандр................поэтому и спрашиваю?! |
|
Lenchik
Фанат форума
Сообщения: 7937
|
А вот и кинь обычным проводом. Фронты будут затянуты за счет емкости и вертикальные линии появятся.
Тебя мысли не посещали что горизонтальная линия и вертикальная рисуются с очень разной скоростью? |
|
STIPLER
Халтурщик
Сообщения: 5865
|
| Отрегулируй ФОКУС и АСТИГМАТИЗМ ! |
|
|
ionchik
|
| Lenchik писал: | | кинь обычным проводом. Фронты будут затянуты |
фигушки, кидал изначально!
| Lenchik писал: | | рисуются с очень разной скоростью? |
я вкурсе, но почему тогда первый осцил картинку рисовал?
| STIPLER писал: | | Отрегулируй ФОКУС и АСТИГМАТИЗМ ! |
игрался........... |
|