| Автор | Сообщение |
|
Sk9000
|
| При включении монитора подсветка кнопки питания загоралась синим но изображение отсутствовало, если кабель не был подключен то кнопка начинала светиться желтым через 5 секунд примерно, когда был сигнал с кабеля был продолжала светиться постоянно синим, как бы все нормально и есть сигнал но изображение отсутствовало, толи подсветка не запускалась, на плате питания обнаружил один вздувшийся конденсатор, заменил, теперь при включении щелкает и подсветка кнопки мигает синим все время. Поменял все электролитические конденсаторы на плате питания но также мигает и щелкает реле. Пробовал и другие конденсаторы на место вздувшегося все тоже самое. Но когда возвращал вздувшийся конденсатор на место все становилось как и прежде. Подскажите пожалуйста в каком направлении дальше надо двигаться что проверить или заменить? Если потребуется могу выложить фото платы. |
|
victorx
Передовик
Сообщения: 2116
|
| дальше нужно двигать на форум мониторов |
|
|
Sk9000
|
| Да я понял что в LCD телевизорах написал, ща ищу как его в мониторы переместить... |
|
victorx
Передовик
Сообщения: 2116
|
| теперь измерения и родное фото, стрелкой вздутый конд. |
|
|
Sk9000
|
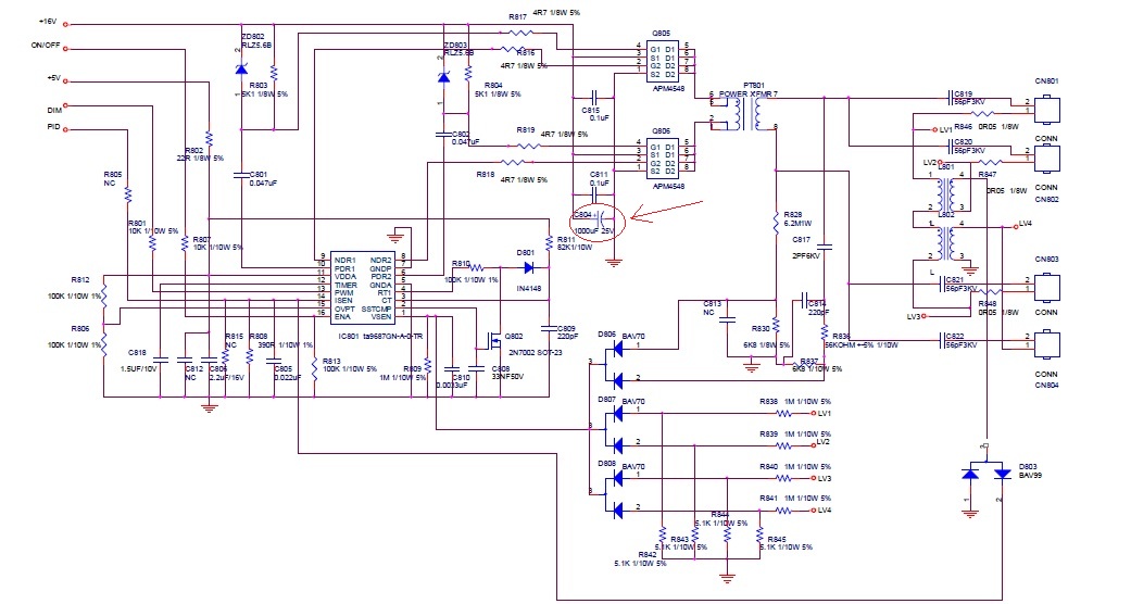
Вот фото платы питания, помечен конденсатор который был всдут, сейчас уже заменен на другой. Разъем который выходит на материнскую плату содержит контакты, GND, +5V, +5V1, on/off и один подписан DIM.
Мерил только 5 V на всех присутствует 5,26В. Нагуглил Service manual схемы оттуда тоже приложу.
| 23232.jpg |
| Описание: |
|
| Размер файла: |
264.27 КБ |
| Просмотрено: |
381 раз(а) |

|
45454.jpg 158.46 КБ Скачано: 345 раз(а)
3434343.jpg 141.06 КБ Скачано: 341 раз(а)
|
|
n max
Модератор
Сообщения: 17616
|
| Если сигналы on\off и dim появляются при вкл моника то придётся чинить инвертор тем более кандёр помер по питанию инвертора,значит могли транзюки сгореть возле трансформатора там где текстолит потемнел |
|
victorx
Передовик
Сообщения: 2116
|
| прозвони не коротят ли q805,806,не оборвана pt 801 вторичка-какое сопротивление |
|
|
Sk9000
|
| При включении DiM - 3,14 В, а on/off 0,04 в момент щелчка на мультиметре бывает до 0,4 поднимается. Выводы Q805/806 проверил вроде не коротят. Сопротивление между контактами PT801 от 1 до 6 в различных вариациях(что между 1-6, что 1-2 и т.д.) одинаковы примерно 1,7 Ома, между 7-8 показывает 509 Ом. |
|
victorx
Передовик
Сообщения: 2116
|
| попробуй временно снять зашитау12 нога шим на корпус через 47 ком |
|
n max
Модератор
Сообщения: 17616
|
| victorx писал: | | попробуй временно снять зашитау12 нога шим на корпус через 47 ком |
Если команды включения нету какой смысл в этом не надо писать ерунду |
|
victorx
Передовик
Сообщения: 2116
|
n max, я не внимательно читал
ДОБАВЛЕНО 08/08/2015 20:55
подсветка должна моргнуть,а сдесь другой случай |
|
n max
Модератор
Сообщения: 17616
|
Это правильно  |
|
KRAB
Распугиватель клиентов
Сообщения: 21704
|
| victorx писал: | | сдесь другой случай | - клиент полез .... |
|
|
Sk9000
|
| А если плата питания исправна, что если подать 3В или сколько там надо, на вход on/off подсветка должна включится? |
|
igorasrex
Завсегдатай
Сообщения: 635
|
| Sk9000 писал: | | А если плата питания исправна, что если подать 3В или сколько там надо, на вход on/off подсветка должна включится? |
должна. |
|
|
Sk9000
|
| Отсоединил on/off от основной платы, светодиод кнопки включения перестал моргать стал гореть все время синим, подключил с отдельного источника питания на on/off 4В, стал слышен свист и в такт свисту стала моргать подсветка. Пока еще замерял там где 16 вольт на схеме, мультиметр показывает 18,7, не знаю нормально ли это. Пока погуглю про ремонт инверторов, если ктонибуть сможет чего посоветовать, заранее благодарю. |
|