| Автор | Сообщение |
Vovak
Завсегдатай
Сообщения: 400
|
Тоже правильно.
Всех с наступающим Новым Годом! Счастья всем, успехов на ниве сваркостроения и не только, и конечно же удачи во всём! С Новым Годом! |
|
mjntana
Завсегдатай
Сообщения: 587
|
| Поздравляю ,Всех ,с наступающим новым годом ! Желаю вам удачи, творческих успехов, ну и огромного здоровья.Чтобы не пропадало желание что то творить,что бы всегда был порядок в личной жизни. |
|
|
vlbudkin
|
|
|
dbrecmrf
|
|
Staker
Завсегдатай
Сообщения: 870
|
| Поздравляю форумчан с 2014 годом! Удачи и творческого везения. |
|
mjntana
Завсегдатай
Сообщения: 587
|
| Staker писал: | | Поздравляю форумчан с 2014 годом! Удачи и творческого везения. |
Да уж,некоторым без везения совсем никуда.. . |
|
|
ewgeni58
|
|
|
vlbudkin
|
|
|
sergey857508
|
|
|
vlbudkin
|
|
|
stream.3
|
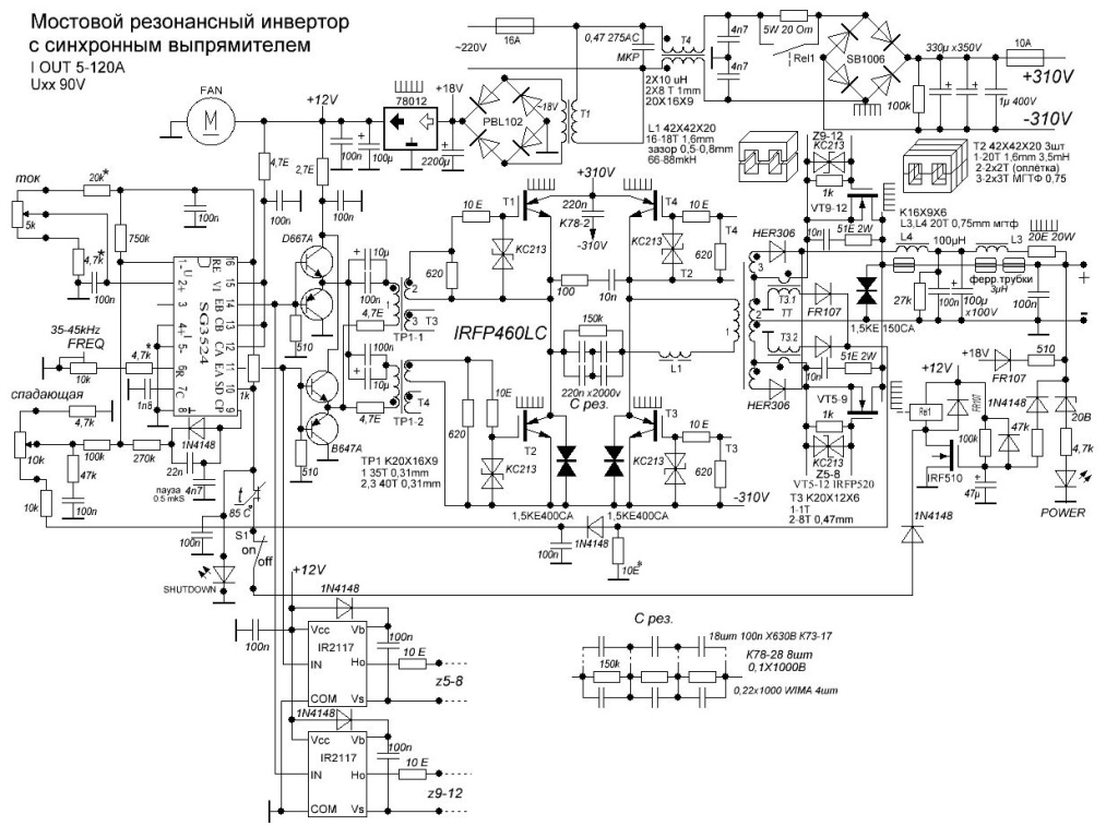
Всех с Новым годом! Вот, попалась схемка. Может кто ,,тыкнуть,, где по данной схеме ,есть описание или обсуждение , а то поиск не дал результата. А интересно почитать.
| _______2.PNG |
| Описание: |
|
| Размер файла: |
215.43 КБ |
| Просмотрено: |
641 раз(а) |

|
|
|
Skif
Завсегдатай
Сообщения: 876
|
| какой то странноватый Ктр у транца |
|
|
ДядяВася
|
|
Vovak
Завсегдатай
Сообщения: 400
|
| stream.3 писал: | | Всех с Новым годом! Вот, попалась схемка. Может кто ,,тыкнуть,, где по данной схеме ,есть описание или обсуждение , а то поиск не дал результата. А интересно почитать. |
Это из серии - найди 10 отличий от негуляйника? Ну и чего тут обсуждать? Трансформатор? Дроссель? Или ..... |
|
Jorg63
Передовик
Сообщения: 1185
|
| реально с данной схемы можно только позаимствовать схему управления на 3524. с данной схемой управы формируется довольно мягкая сварочная характеристика. |
|
|
stream.3
|
[quote="Vovak"]| stream.3 писал: |
Это из серии - найди 10 отличий от негуляйника? Ну и чего тут обсуждать? Трансформатор? Дроссель? Или ..... |
Э ,Батенька - это у ВАС всё просто , с Вашим то опытом, нема пытань, как говорится. А тут получается, всё больше, как ночью по тайге да наугад.
Вот смотрю драйверочки - ставил такие в своё время,после их IRF530 как по схеме, а оказывается можно и без них. После ТГР резистор 1к вместо 50ом (а сколько слёз пролито из за этих печек на форумах) . Да и самому , ой как хотелось хотя бы 200ом поставить.Оказывается - можно.Теперь микруха, Похоже хорошо подменяет 494-ю.По регулятору тока понятно, но каким боком стоит регулятор напряжения? И нельзя ли этот регулятор применить в качестве пукового для автомобля, уменшив напряжение до 17-18 вольт.Так что у меня получается, больше Э как у той Маши из мультика( А что ?А как? А почему?)
ДядяВася, спасибо, что откликнулись. Посмотрел по ссылке , сварочный шов, и опять брызги на металле. Выходит жосткая ВАХ дуги, Как бы попробовать реализовать мягкую ВАХ сварки, может у кого то получилось. Встречал сварочники которые варят мягко (как песня) и это на переменке? С УВАЖЕНИЕМ.
Упс, пока писал, Jorg63, ещё больше заинтриговал своим ответом..
И опять ????? А почему 120А вместо 200-от. |
|
Jorg63
Передовик
Сообщения: 1185
|
| Если использовать ИЖБИТы вместо Мосфетов как у автора схемы,то лучше поменять микру на 3525,у нее можно задать паузу нужную для ИЖБИТов.3525 микра довольно часто используется в сварочных инверторах.реализация обратной связи ничем не отличается от 3524 микры.Характеристика сварочная тоже аналогичная будет. |
|
|
stream.3
|
| Спасибо, отметил себе на схеме , а то забуду. |
|
Jorg63
Передовик
Сообщения: 1185
|
| stream.3 писал: | | Спасибо, отметил себе на схеме , а то забуду. | Гляньте шиты на эти 2 микры,чуть есть разница по ногам. Использую периодически схему управы от данного аппарата -работает стабильно.в этой микре в отличии от 494 можно реализовать по 8 ноге мягкий старт и по 10 ноге блокировки .Регулятор тока сварки и установка максим .тока резаки по 4.7 ком. трансформатор тока 50-60 витков. Резистор подстроечник тока ползунок вниз по схеме при запуске.
Реализация драйвера для ключей на свое усмотрение,кроме печного.
WT-180S.zip 133.36 КБ Скачано: 488 раз(а)
|
|
Skif
Завсегдатай
Сообщения: 876
|
| Не, я все равно одного не пойму, как с таким Ктр дуга может быть стабильной? Как при оттяжке дуги он ее поддержит, при макс напр. в резонансе не более 32В? Допмодулей поддержки дуги что то не наблюдаю. Или лыжи не едут или я что то неправильно смотрю.... |
|