| Автор | Сообщение |
|
LEON_D
|
Всем привет!
Попалась подопытная Biostar 945GC-M7 с КЗ по12в питания CPU.
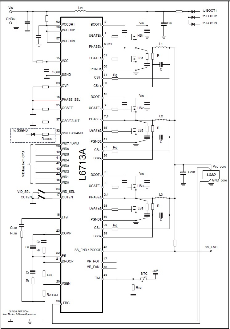
Неудивительно было обнаружить беременные особи в трехфазнике.После извлечения емкостей и полевиков КЗ продолжало иметь место.После промывки обратил внимание на керамику,когда-то,спрятанную за ключами.вот в них то и оказалась проблема,два из них(при оптическом осмотре) со следами разрушений,причем один и оказывал сопротивление.Ну а третий,на омметре вел себя спокойно,хотя не факт что он живой.Схемы пока не нашел драйвер L6703 ключи N02G,09NG.
Нашел (схему)похожий по смыслу драйвер,но там нет номиналов емкостей.
Вопрос состоит в номиналах емкостей,кто сталкивался плис поскажите!
Прошу не пинать!PC пока не занимался. 


| 945GC-M7.JPG |
| Описание: |
|
| Размер файла: |
358.54 КБ |
| Просмотрено: |
382 раз(а) |

|
L6713.JPG 161.71 КБ Скачано: 391 раз(а)
|
|
Lenchik
Фанат форума
Сообщения: 7937
|
Они параллельно электролитам. Чем больше поставишь, тем лучше. Можешь с любой другой материнки поставить. Электролиты только Low ESR ставь, а не какие придется.
В блок питания загляни. Там по 12 вольтам конденсатор тоже наверное вспух. |
|
|
LEON_D
|
Lenchik Спасибо!
Но,больше по какому параметру?
Радиомаг унас есть,могу заказать любой номинал СМД!
Как-то определенней может кто скажет?
ПС.ИБП хозяин выбросил,а мать подарил мне.
Хочу попробовать реанимировать.
Lenchik! Смотрю на твой Аватар,Ты часом сат ресами не занимаешся?
Китайский Опенбокс Х-800 как проверить ВЧ блок
F7VZ0194 правда это насамом модуле написано.
В нутри он какой то другой,даже с тайным чипом сот на 8 ног
Ну,,, в общем,Китаец он и в Африке Китаец. |
|
Lenchik
Фанат форума
Сообщения: 7937
|
Отпаяй последний живой конденсатор и померяй. Там скорей всего стоят конденсаторы по нескольку микрофарад. Покупай точно такого же размера и максимальной емкости какая есть. Конденсаторы на питании стоят. Чем больше тем лучше.
По опенбоксу. Если стартует и все запускается, то скорей всего демодулятор рабочий. Он программное по цифре настраивается и при неисправности самопроверка не пройдет. Питание LNB проверь.
Заведи отдельную тему, лучше с фоткой "затертой" микросхемы. Здесь писать не по теме, это нарушение правил. |
|
Иваныч55
Завсегдатай
Сообщения: 704
|
| LEON_D писал: | | нет номиналов емкостей |
Типовое значение на матерях под S775 10uF 10V. |
|
Lenchik
Фанат форума
Сообщения: 7937
|
| Эти стоят похоже по 12 вольтам. Надо 16 вольтные ставить. |
|
STING
Передовик
Сообщения: 1984
|
Кроме литов еще и ШИМ постарайся найти
ИМХО после таких следов вряд ли ШИМ остался целым ! ( хотя может и целый, в чем я и сомневаюсь ) |
|