| Автор | Сообщение |
|
Nick84
|
Доброго времени суток профессионалы. Накопилось 2 БП хорошего вроде качества, возможно удастся хоть один спасти, так как кодеген старый уже пришлось пользовать.
По теме, БП chieftec CTG-600-80P, в холостую на зеленом проводе 5,1v, на фиолетовом 5.1v, при замыкании зеленого на массу стартует. Если подключить разъем к материнке, напряжение дежурки(фиолетовый) проседает до 2,8v и запустить БП не удается. Подскажите куда двигаться в диагностике? Жаль БП, а нести в сервис нерентабильно.
Вот фото сего БП:
| P_20150127_161134_1.jpg |
| Описание: |
|
| Размер файла: |
203.92 КБ |
| Просмотрено: |
677 раз(а) |

|
P_20150127_160804_1.jpg 149.76 КБ Скачано: 1139 раз(а)
P_20150127_161039_1.jpg 132.18 КБ Скачано: 1074 раз(а)
|
|
gonzo
Винтокрут
Сообщения: 4376
|
|
|
Nick84
|
| Пойду читать, может разберусь. |
|
|
Morlock
|
Если в холостую БП дежурит на 5,1в, то только ТО оной и поможет.
Заодно и остальное проТОшить нужно. |
|
|
Nick84
|
| Я прочел всю вашу тему. Но все дело в том, что не глубоко понял как она реализована на этом блоке. Я не профессионал в этом, но очень нравится подобное. Мне понятно, что проблема именно в схеме дежурки. В распоряжении из приборов только мультиметр. Учитывая, что не разобрался во всей сути не хочу пока его трогать, чтобы не добить окончаетльно, пока лежит в ожидании вдохновения. В ремонт сдавать нерентабельно так как б/у стоит дешевле. Если бы мне для начала на пальцах показали куда смотреть, может и вышло бы что. |
|
|
Morlock
|
Дежурка там простая: 6848 и полевик. Необходимо заменить кондёры в обвязке ШИМа, сам ШИМ и выхлопные кондёрчеги. Думаю на этом и всё.
Если после этого всё равно надумает дурковать, то возможно токовый датчик ушел, но как правило он вечный... или сгорает. |
|
|
Nick84
|
| Я нашел микруху tny278pn. Я так понимаю моя дежурка реализована на ней. Есть смысл просто заменить микросхему? |
|
|
Morlock
|
Сори - оперировал схемой 500вт БП.
Менять оно самое простое, но для начала нужно исследовать обвязку этой микросхемы и убедиться что виновата именно она, микросхема, а не обвязка. |
|
|
alexsim
|
Добрый день.
Нашел Ваше сообщение по этому блоку питания.
У Вас есть возможность посмотреть какие транзисторы стоят в пред оконечном каскаде. На фото обведены красным цветом.
Буду весьма признателен за помощь.
| p_20150127_161134_1_138.jpg |
| Описание: |
|
| Размер файла: |
260.74 КБ |
| Просмотрено: |
587 раз(а) |

|
|
|
HardRom
Завсегдатай
Сообщения: 398
|
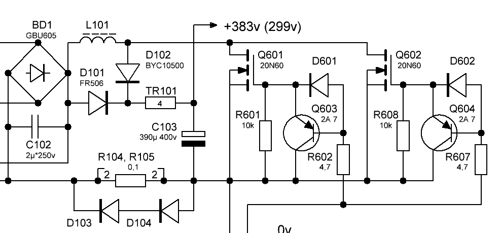
Q603, Q604 Маркировка 2А pnp-транзистор 2N3906
Фрагмент схемы PFC. Если они сгорели, нужно проверить все элементы по схеме, включая C103 и FAN4800 12 выв. PFC-OUT.
PFC.PNG 35.93 КБ Скачано: 985 раз(а)
|
|
|
in_ukraine
|
| А схемы на этот БП где найти? Взорвались обведённые транзисторы, так же сгорели в обвязке резисторы и диоды, полевики 11N60C3, причиной было насекомое, замкнувшее своим брюхом ножку дросселя APFC с проходящими рядом дорожками управления... |
|
HardRom
Завсегдатай
Сообщения: 398
|
| Схема в архиве Сhieftec APS-550S. Замените все сгоревшие элементы, включая контроллер, на такие же. |
|
|
in_ukraine
|
| На той схеме не те элементы, не подписаны диоды, резисторы не те... |
|
HardRom
Завсегдатай
Сообщения: 398
|
| Chieftec CTG-600-80P выпускался в двух версиях. В версии с данным в теме фото, схема соответствует. Напишите подробней по поводу несоответствия элементов схеме. |
|
|
in_ukraine
|
| Печатная плата один в один, не могу прочесть сгоревшие СМД детали рядом с СМД транзисторам отмеченными красным, на резисторах 390 или 391, диоды чёрные с белой полосой, это какие? Сами транзисторы точно 2N3906? |
|
HardRom
Завсегдатай
Сообщения: 398
|
Q603, Q604 2N3906
D601, D602 CD4148WN
R602, R607 4,7 Ом |
|
|
in_ukraine
|
| в моём варианте R602, R607 39 Ом, так же R701, R703 тоже 39 Ом, а ключи везде 11N60C3 |
|
HardRom
Завсегдатай
Сообщения: 398
|
| Еще раз, замените все сгоревшие элементы, включая контроллер PFC/PWM, на такие же. Проверьте входную емкость С103. |
|
|
in_ukraine
|
| БП отремонтирован, всем спасибо, были заменены: Q601, Q602, Q603, Q604, D601, D602, R602, R607, Q701, Q702, Q703, D703, Q705.Q706, U201, F1 |
|
HardRom
Завсегдатай
Сообщения: 398
|
| Хороший ремонт, в особенности для практики. Как правило, обходится меньшим количеством элементов. Это Q601, Q602, С103 или IC501 c обвязкой. |
|