ESpec - мир электроники для профессионалов


YY-C582 (Delta CFA-150-AF-B) сгорел, опознать пару деталей

  Список форумов » Настольные компьютеры

Следующая тема · Предыдущая тема
АвторСообщение
Gemin 
Бывалый
Сообщения: 46
 
Сообщение #1 От 30/05/2021 17:30 цитата  

Всем привет.
Имеется вот такой БП, не включается.
Обнаружен взорванный MOSFET STP8N80ZFP (заменен на FQPF8N60).
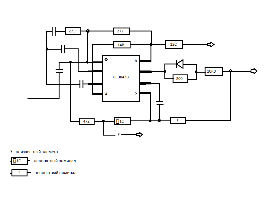
Далее, на отдельной плате (см. фото) стоит ШИМ UC3843B, и отгорели пара деталей. На эту плату приходят PS-ON и Power_OK.
Попробовал зарисовать участок схемы вокруг ШИМ - см. рисунок CFA-150AF.png
В интернетах по этому БП инфы 0. хммм...
Если есть у кого такой БП под рукой, подскажите пожалуйста, какие детали там стоят? Рядом с керамическим конденсатором вроде тоже такой стоял, а вот крайней слева детали не обнаружил вообще (видимо испарилась).

Спасибо

P_20210530_171314.jpg
 Описание:
 Размер файла:  265.87 КБ
 Просмотрено:  227 раз(а)

P_20210530_171314.jpg


  P_20210530_171248.jpg  182.2 КБ  Скачано: 219 раз(а)
  CFA-150AF.png  17.84 КБ  Скачано: 243 раз(а)

Перейти: 
Следующая тема · Предыдущая тема
Показать/скрыть Ваши права в разделе

Интересное от ESpec


Другие темы раздела Настольные компьютеры



Rambler's Top100 Рейтинг@Mail.ru liveinternet.ru