| Автор | Сообщение |
|
Евгений08
|
Кто нибудь сталкивался с таким зверем?
При PW-ON пытается запуститься на хх, но нет. Дежурка в норме.
Пару раз поймал запуск, PG-ON - 50ms, по +3,3V - +2.8V. Остальные норм.
Читал что эти блоки питания без нагрузки по +12V не включаются (кто што пишет), подвесил лампу, не с первого раза но лампа - зажглась, но горит неонка утюжка.... через который включаю блок.
На сетевой банке без запуска - 300V, при попытках старта -380V.
Супервизор чудной - R09303A1F. Что за зверь.
Може т кто поможет? |
|
HardRom
Завсегдатай
Сообщения: 399
|
Должен работать без нагрузки. По входу блока питания, не должно быть дополнительной нагрузки.
| Цитата: | | На сетевой банке без запуска - 300V, при попытках старта -380V. | В первичке, PFC-PWM рабочие. Во вторичке, 3,3V занижено, срабатывает защита. Если правильно понял, то выходная часть организована на преобразователях. Видимо, ушли параметры элементов контролера преобразователя. Нужно, по datasheet контроллера, найти сопротивление отвечающее за 3,3V и скорректировать. При условии, что ничего из элементов блока питания не перегружает выход по 3,3V. |
|
|
Евгений08
|
Выход +3,3V чистый (при подаче питания от лбп на +3,3V - 50мА ток).
"Если правильно понял, то выходная часть организована на преобразователях." - это как? Как я вижу там один групповой дросель..
А вот с "datasheet контроллера" полная опа, - R09303A1F, не могу найти.. |
|
HardRom
Завсегдатай
Сообщения: 399
|
|
|
Евгений08
|
| Вообще моя R09303A1F по распайке совпадает с PS229.. |
|
|
Евгений08
|
|
HardRom
Завсегдатай
Сообщения: 399
|
| Нашли причину неисправности? Просил фото платы блока питания со стороны элементов. |
|
|
Евгений08
|
|
|
Евгений08
|
Снял плату, оказалась связка PS229 + WT7518D.
На обороте - м/сх управления кулером.
ДОБАВЛЕНО 22/06/2022 08:42
Фото 3
ДОБАВЛЕНО 22/06/2022 08:42
При подключении лампы 12в на +3,3В моментом вырубается.
| 1655876097758.jpg |
| Описание: |
|
| Размер файла: |
368.84 КБ |
| Просмотрено: |
261 раз(а) |

|
|
|
HardRom
Завсегдатай
Сообщения: 399
|
| Евгений08 писал: | | То отвалится канал +5В, в ноль. То просядет +3,3В. |
Хотел посмотреть наличие преобразователей по +5 и 3.3В раз вы ответить не можете. Видно, что их нет. По пяти вольтам, варианты либо короткое, либо обрыв. При обрыве, проверьте все пайки от диода Шотки до выхода. Часто, холодная пайка на дросселях. При коротком, проверьте ДГС, межвитковое с другими обмотками или «общим» блока питания. Как вариант, ДГС касается винта крепления диодов Шотки. То же и по 3.3В, если ДГС общий. Если же канал 3.3 организован отдельно, разбирайтесь со стабилизатором по 3.3В. К примеру, управляемый транзистор.
Модуль супервизора зря выпаивали. Не включайте и не проверяйте без него БП, спалите первичку. При нестабильной работе сложно определить неисправность. С R09303A1F и вовсе ввели в заблуждение. |
|
|
Евгений08
|
Спасибо за советы.
Мне кажется собачка зарыта в этой плате.
Почему снял плату? - шел по пути - транс - дроссель - шотки - кондеры. Все ОК.
Кондеры без снятия платки не впаять...
Мой мозг взрывается от:
- стартует без +5В (но сейчас есть).
- как при групповой стабилизации и целостности вышеуказанной цепи занижена линия +3,3В, при номинальных остальных линиях?
Надо диагностировать сладкую парочку PS229 + WT7518D. и ее обвязку. Я так думаю. |
|
HardRom
Завсегдатай
Сообщения: 399
|
| Вы ошибаетесь. Внимательно прочтите datasheet на PS229 и WT7518D или их аналоги. Разберите схемы других аналогичных блоков питания по поиску Chieftec на этом форуме. Модуль супервизора контролирует параметры выходных напряжений и нагрузочных токов. При выходе их за установленные пределы, переводит блок питания в режим защиты, отключая первичную часть. К наличию или отсутствию +5В и просадке по +3.3В он не имеет отношения. По какой причине это происходит, вы так и не выяснили. Бездумно меняя детали, вам блок питания не починить. Никто и не говорил, что будет легко. |
|
|
Евгений08
|
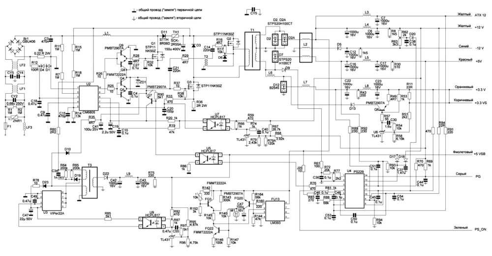
Схема Hipper
ДОБАВЛЕНО 24/06/2022 05:10
Да, наверно ошибаюсь. По форумам люди как-то "отскакивают" от этой неисправности.
Пока детали не менял.
Прошел по цепочке: T1 - D7,D12 - L2,L7 - C22,C23 в обозначениях схемы, исправны.
Короткого по линиям нет.
Про пайки, - ну да, бывает такое. Но без нагрузки есть отклонение от номинала. Хотя на выходе линии и нагружены, например - R43.
Не уверенный старт, скорее всего из-за линии +3,3В, по Under-Voltage...
ДОБАВЛЕНО 24/06/2022 05:13
Under-Voltage Section PS229
| Hiper_HPU-4S425PU_RA1311_2.jpg |
| Описание: |
|
| Размер файла: |
224.61 КБ |
| Просмотрено: |
746 раз(а) |

|
Under-Voltage Section PS229_2.jpg 121.76 КБ Скачано: 348 раз(а)
|
|
HardRom
Завсегдатай
Сообщения: 399
|
| По схеме, стабилизатор по +3.3В реализован на элементах L7, L8, D13, Q6 PMBT2707A, U6 TL431. Проверьте в первую очередь исправность Q6 PMBT2707A, U6 TL431 и соответствие номинала R51, R53, R54, R58 цветной кодировке, в особенности R58. Так же, проверьте наличие -12В. Что с удалось выяснить с пропаданием +5В? |
|
|
Евгений08
|
Номиналы элементов схемы стабилизатора в норме.
ДОБАВЛЕНО 26/06/2022 08:37
Схема стабилизатора
| 6.jpg |
| Описание: |
|
| Размер файла: |
486.95 КБ |
| Просмотрено: |
232 раз(а) |

|
|
|
|
Евгений08
|
| HardRom писал: | | По схеме, стабилизатор по +3.3В реализован на элементах L7, L8, D13, Q6 PMBT2707A, U6 TL431. Проверьте в первую очередь исправность Q6 PMBT2707A, U6 TL431 и соответствие номинала R51, R53, R54, R58 цветной кодировке, в особенности R58. Так же, проверьте наличие -12В. Что с удалось выяснить с пропаданием +5В? |
Поскольку субмодуль снят, пока не запустить и не проверить. Но, перед снятием субмодуля - +5В - было. |
|
HardRom
Завсегдатай
Сообщения: 399
|
| Проверьте вышеуказанные элементы. |
|
|
Евгений08
|
|
|
Евгений08
|
Получились вот такие номиналы....
ДОБАВЛЕНО 05/07/2022 10:47
Номиналы соответствуют надписям, но существенные отличия от эталонной схемы.
Под дробью - замеренные, галочка - проверены.
| 16570069793972.jpg |
| Описание: |
|
| Размер файла: |
602.41 КБ |
| Просмотрено: |
874 раз(а) |

|
| 16569998498962.jpg |
| Описание: |
|
| Размер файла: |
622.56 КБ |
| Просмотрено: |
200 раз(а) |

|
|
|
HardRom
Завсегдатай
Сообщения: 399
|
| Транзистор, TL431, диоды D25, D26 и остальные вышеуказанные элементы исправны? Сопротивления соответствуют указанному на них номиналу? Замеры сопротивлений на плате, без выпаивания, ни о чем. Если транзистор и другие элементы исправны, TL431 лучше заменить на заведомо исправную. |
|