| Автор | Сообщение |
|
ArtemAir
|
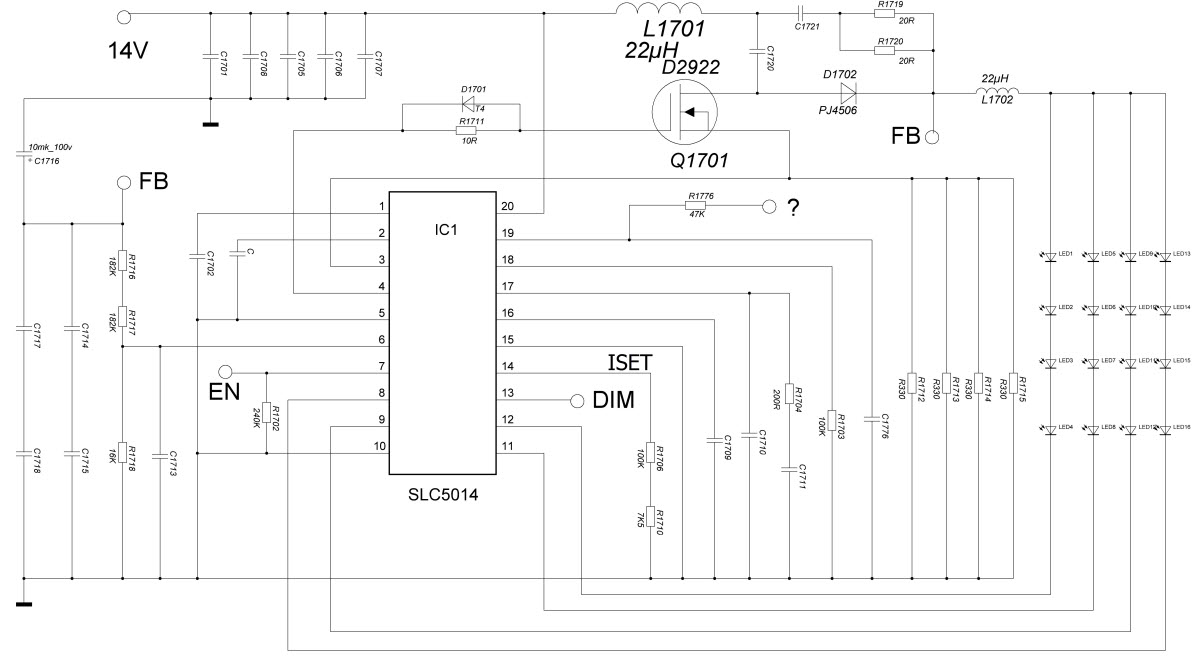
Добрый день. LU32J590UQNXZA. Плата BN41-02452B
Изображение есть, нет подсветки.
При всткрытии оказалось что подсветка еле заметно светиться. Лед линейка на 80 диодов, 4 секции по 20 диодов. Все диоды исправны. Лед драйвер S5014R, на выходе 48В, вместо, предположительно, 60В.
Вдруг кто-то сталкивался с подобной проблемой, буду благодарен за советы. |
|
Boris Gorbunkov
Семён Семёныч
Сообщения: 7523
|
| ArtemAir писал: | | Лед драйвер S5014R, на выходе 48В, вместо, предположительно, 60В | Надо померить это напряжение в момент включения ТВ. |
|
|
ArtemAir
|
| Цитата: | | Надо померить это напряжение в момент включения ТВ. |
В момент включения 18.9В, через приблизительно 5 секунд увеличивается до 48В |
|
tutu7
Завсегдатай
Сообщения: 721
|
| Борис Горбунков писал: | | ArtemAir писал: | | Лед драйвер S5014R, на выходе 48В, вместо, предположительно, 60В | Надо померить это напряжение в момент включения ТВ. |
как вариант:несколько светиков в коротыше,а драйвер следит за током так,что маемо тэ що маемо.  |
|
|
ArtemAir
|
| tutu7 писал: | как вариант:несколько светиков в коротыше,а драйвер следит за током так,что маемо тэ що маемо.  |
В том то и дело что светяться все диоды еле-еле, но с одинаковой яркостью, я пробовал в одной секции коротить последовательно несколько диодов - их соседи в секции начинают светиться ярко, а остальные 3 секции полностью гаснут

SLC5014R_current.jpg 94.01 КБ Скачано: 387 раз(а)
|
|
gnom69
Передовик
Сообщения: 2066
|
Почитай даташит , может разберёшься.
bd.png 134.56 КБ Скачано: 213 раз(а)
|
|
n max
Модератор
Сообщения: 17594
|
Ну если проблема с линейками то должен мыргнуть при старте.Про инейбл и дим что то ни слова-надо хотя б там померить в динамике.
48 конечно маловато-транзистор катушку и диод надо проверить,лучше путём замены,ну и токовые резики до кучи. |
|
|
ArtemAir
|
При закорачивании дросселя L1701 на схеме, все диоды зажигаются ярко. Если я правильно понял, это чревато отсуттвием регулировки по току. Дроссель здоровый, 15мм, у себя таких не нашел. Буду искать...
Всем откликнувшимся спасибо за помощь!
L1701.jpg 98.22 КБ Скачано: 273 раз(а)
|
|