| Автор | Сообщение |
|
ademyanenko
|
Andy52280, присоединяюсь 100% !! Прям мои мысли написал
ДОБАВЛЕНО 10/02/2016 15:11
SP-in, греюсь тепловентилятором 1 квт, в момент включения и выключения подмаргивает у меня и у соседней точки продажи телефонов, можно кабель от коробки кинуть к нам получше, но боюсь этим все проблемы не решатся. Проводка алюминиевая, советских времён, неоднократно "доработанная" пьяными электриками, не исключены скрутки с медью, одна такая загорелась уже. |
|
|
ademyanenko
|
| Ещё мысль, а если выпрямить 220, поставить хороших кондёров и коммутировать IGBT нагрузку пидом от лдз или торментора. Так может дерганина сети менее заметна будет? |
|
Lenchik
Фанат форума
Сообщения: 7937
|
ademyanenko, Можно и не сглаживать, а прямо синусоиду на дольки нарезать. Всё габариты меньше будут. Сложно, громоздко и дорого, поэтому никто и не делает. Если используется паяльная станция, то и условия должны быть соответствующие, сечение электропроводки и прочее.
Andy52280 я имел ввиду почему заводских нет станций с фазовым регулированием. В развитых странах их продавать нельзя, а папуасам станция ни к чему.
Вы можете хоть латром регулировать или ходовые винты приделать и отодвигать, пододвигать нагреватели к объекту нагрева. |
|
sofrina
Модератор
Сообщения: 4833
|
| Lenchik писал: | ademyanenko, Можно и не сглаживать, а прямо синусоиду на дольки нарезать. Всё габариты меньше будут. Сложно, громоздко и дорого, поэтому никто и не делает. Если используется паяльная станция, то и условия должны быть соответствующие, сечение электропроводки и прочее.
Andy52280 я имел ввиду почему заводских нет станций с фазовым регулированием. В развитых странах их продавать нельзя, а папуасам станция ни к чему.
Вы можете хоть латром регулировать или ходовые винты приделать и отодвигать, пододвигать нагреватели к объекту нагрева. |
можно и магнитный усилитель для этого приспособить, если запрещено фазо- или сложно на дольки синусоиду нарезать |
|
Streik
Завсегдатай
Сообщения: 476
|
Все ПИДы промышленные и никто не парится какие там скачки в сети будут!
Можно смягчить включение, поделив на секции нагреватель, чтобы было например 1кВт. последовательно и грел постоянно без отключения. Замыкая пары в параллель увеличиваем мощность до 2кВт. и регулируем температуру.Минусы несколько симисторов(3шт.), в конце нужно как-то делать общее отключение.
Второй способ, через диод постоянно подавать полупериод, получаем 1кВт.. Вторую половину через теристор, для регулировки получим 2кВт.,мерцание уменьшится в 2 раза.
Фазовое регулирование залаживается в саму программу, если авторы не сделали значит есть тому причина! |
|
Lenchik
Фанат форума
Сообщения: 7937
|
| Streik, Фазовое регулирование нет смысла включать в программу, микроконтроллер понадобится с высоким быстродействием. Достаточно сделать аналоговый выход, благо цифроаналоговые преобразователи имеют почти все современные микроконтроллеры. Ну а дальше уже схемотехника, аналоговый сигнал превратить в фазовый сдвиг. Нелинейное звено еще понадобится, или софтовое или аппаратное. Очень криво мощность меняется от фазового сдвига, надо выправлять. |
|
Streik
Завсегдатай
Сообщения: 476
|
Lenchik, Ну вот, взял и одним постом у всех подрезал крылышки!
SP-in, Переход через ноль это же защита от помех в сети. Ничего общего с мягким регулированием не имеет.
Вот это приладить можно, только аналоговое управление нужно строить.
http://www.platan.ru/cgi-bin/qwery.pl/id=473107644 |
|
|
viruson
|
| К1182ПМ1 - может спокойно управляться шимом (на входе поставить оптрон резистор и ёмкость 33-47мкф) |
|
Lenchik
Фанат форума
Сообщения: 7937
|
| viruson писал: | | К1182ПМ1 - может спокойно управляться шимом (на входе поставить оптрон резистов и ёмкость 33-47мкф) |
Я примерно про то же. Сейчас на выходе сигнал с частотой несколько герц. Если фаза не устраивает, то его проинверировать. Ну дальше резистор и конденсатор и вот вам аналоговый сигнал. Подключаете этот аналоговый сигнал к тиристорному регулятору и дело в шляпе.
Развязку где то нужно только сделать. Либо на логическом сигнале опторазвязка, либо тиристором управлять через импульсный трансформатор. |
|
|
viruson
|
| легче на входе оптрон влепить- типа PC817 |
|
|
ademyanenko
|
Ага, только какое должно быть время интегрирования у RC цепочки, чтоб 2 Гц, или какая там минимальная частота на выходе у торментора, превратить в постоянку? Это уже секунды. Т.е дошли до верха, контроллер выключил нагреватель, а кондёр ещё несколько секунд разряжается и догревает, плюс к инертности самого нагревателя. Прибавим сюда ещё нелинейность диммера на К1182ПМ1, или любого другого, и термонестабильность конденсатора, получим невозможность настройки пид
Уже больше склоняюсь к варианту управления от Krievs-a - просто, надёжно и работает |
|
Streik
Завсегдатай
Сообщения: 476
|
ademyanenko, В том то и дело, что подходя к установке время воздействия на ёмкость будет увеличиваться(нужно проинвертировать), заряд ёмкости уменьшаться, уменьшая подводимую мощность, в какой то момент всё стабилизируется на оптимальной мощности, никаких скачков, мы же с этим кажется боремся. ПИД и раскачивается от резких бросков мощности, ограничивая всплески работает стабильнее.
Что за Krevisa ссылку дай! |
|
|
ademyanenko
|
Извините, опечатался , Krievs.
| Krievs писал: |
Расскажу как я сделал управление верхом(на галогене было:низ-дешевый ПИД,верх-диммер).Может кому пригодиться.
На низ так и остался 25$ ПИД. Но диммер модифицировал :вместо переменного резюка впаял 2 постоянных подобранных на температуру трубок 250 и 375 °С и подключаемых выходами AL1 и AL2 нижнего ПИДа. |
| Krievs писал: | После нескольких месяцев юзания смело могу рекомендовать попробовать управление как у мну:простота исполнени и настройки,дешевизна.Ну если уж не понравиться купите Овен.~20$ не затраты.Понравится-добавите 2й ПИД и получите 100% автоматику.И хотя уже готовы 3 и 4 версия управления на 2х ПИДах свою блок-схему еще не приводил.Да,контроль Т°C возле чипа-отдельным термометром с выносной термопарой.Можно купить с сигнализатором-полно на ибэе и али~12$.Ну и выше я отписывал-риск получить "пузыри" на чипе стремится к 0..
Коротко о настройке:
-Кладем на паялку "средненькую" плату.Я брал мАТХ.
-Настраиваем низ сначала запустив автонастройку ПИДа.После,скорее всего,потребуеться небольшая коррекция коэффицента Р (достаточно,как оказалось) в сторону уменьшения для более плавного выхода на уставку(у мну 165°C,датчик сверху платы) ~300сек.
-Переменным резистором диммера добиваемся скорости нагрева ВИ 0.2-0.3°C/сек и подбираем температуру срабатывания AL1 (у мну 135°C)так,чтобы при выходе на уставку НИ(165°C)Т возле чипа была в районе 200°C.
-Срабатывание AL2 при выходе на уставку .Подбором резистора R2 добиваемся скорости нагрева ВИ 0.5-0.6°C/сек.
Все,вот он заветный термопрофиль для плат любых размеров.Незначительно изменится только время преднагрева.Если запаиваем "свинцовый" чип-жмем выключатель при срабатывании AL2.
 |
|
|
kmkkpa
Завсегдатай
Сообщения: 550
|
Парни, в той программе что у Core, они говорят что можно добавлять профили, а это и есть пайка по профилю. Вот ихняя схема и прошивка атмеги, а вот проги нет, кто знает языки, напишите пож прогу как у core, я заплачу.
Stanciya_Shematics_Firmware.rar 112.88 КБ Скачано: 420 раз(а)
|
|
|
ademyanenko
|
| Streik, Да, возможно это и будет работать, в теории.. На практике мне кажется могут вылезти какие-то грабли.. |
|
Lenchik
Фанат форума
Сообщения: 7937
|
ademyanenko, Грабли вылезут только с кривизной фазового управления. Если сдвигать фазу у прямоугольного импульса то регулироваться будет линейно, а тут синусоида. Усиление по петле обратной связи будет сильно меняться в зависимости от фазы, а это чревато трудностями с настройкой.
А с конденсатором нет никаких проблем. Инерция самих нагревателей не в пример больше чем время интегрирования. Второй момент состоит в том что не зачем напряжение управления доводить до абсолюта, пускай оно "виляет" вверх, вниз. Небольшие колебания мощности ни на что не повлияют. |
|
|
ademyanenko
|
Lenchik, можно на операционнике промоделироваь некий компенсатор кривизны. С диодами в качестве нелинейных элементов параллельно резистору обратной связи. что-то в этом духе.
Что-то смотрю pdf на К1182ПМ1, и нигде не вижу входной характеристики. При каком входном токе, какой процент полупериода отрезается, производитель наверное и сам не знает |
|
Streik
Завсегдатай
Сообщения: 476
|
ademyanenko, По поводу схемы Krievs наверное вы что то не поняли, вначале да по AL1,AL2 мощность будет подниматься плавно(около 30%), но в конце набора температуры ПИД начнёт отрабатывать параболу отключая
весь диммер(100%) и дальше всё будет мигать 3-4 минуты.(у меня так низ собран на REX C100) |
|
|
ademyanenko
|
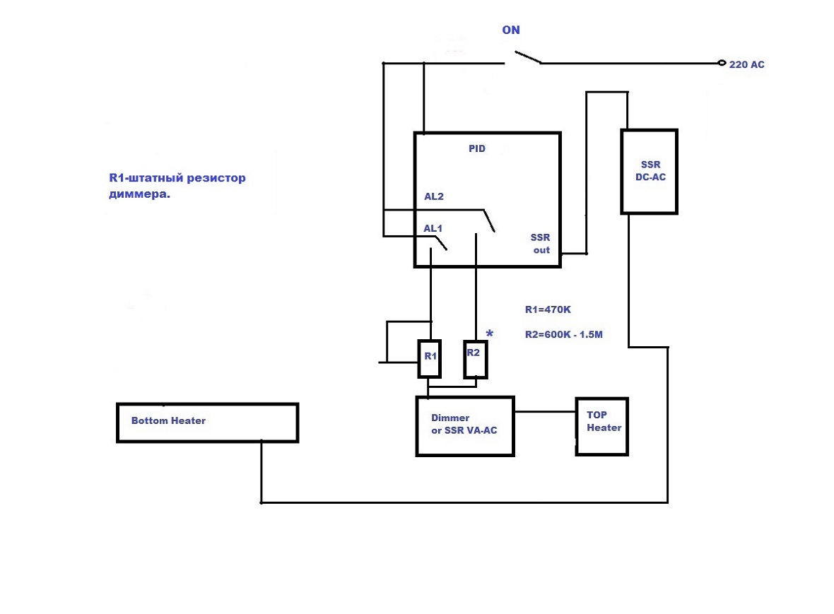
Я не спорю , по схеме Krievis мигает. У него низ то управляется просто пидом, без диммеров. А верх греет диммером сначала по сраб. AL1 0,3 гр/сек, потом по сраб AL2 0,5 гр/сек, потом по достижению температуры, например 220 гр , верх вырубается (вручную, или ещё одним термоконтроллером) и в течении 10 сек за счёт инерции доходит до 235 гр. Т.о, меняя AL1 , AL 2 и температуру отключения верха , можно настроить термопрофиль. Мигает то у всех, я за то, что тут простое и надёжное управление получается. Вот его блок-схема
___________1_____v1.0_112.jpg 63.26 КБ Скачано: 510 раз(а)
|
|
Lenchik
Фанат форума
Сообщения: 7937
|
| ademyanenko писал: | Lenchik, можно на операционнике промоделироваь некий компенсатор кривизны. С диодами в качестве нелинейных элементов параллельно резистору обратной связи. что-то в этом духе.
Что-то смотрю pdf на К1182ПМ1, и нигде не вижу входной характеристики. При каком входном токе, какой процент полупериода отрезается, производитель наверное и сам не знает |
Именно так и сделано в тиристорных приводах постоянного тока. На металлорежущих станках такое применялось, когда я на предприятии работал. Набор из резисторов и диодов в прямом включении.
К1182ПМ1 скорей всего линейно фазу меняет. Нелинейность возникает из синусоидальной формы напряжения. Вы отрежьте от синусоиды 10% потом 20% потом ... и через площадь отрезанной фигуры посчитайте мощность. Вот тут и будет нелинейность.
Впрочем возможно что в К1182ПМ1 уже есть нелинейное звено. Её же сразу под синусоиду затачивали. |
|

|