| Автор | Сообщение |
oleg1ma
Завсегдатай
Сообщения: 371
|
| demyan-yar писал: | ,транс первичка намотана как у Негуляева ,один сердечник .
вторичка лентой. первичка пропитана авто лаком
на эпоксидной основе. .
| У Вас спросили данные тр-ра, у негуляева на разных тр-тор намотан-какой сердечник именно у вас.? |
|
|
demyan-yar
|
| mjntana писал: | Межвитковое в трансе явление редкое ,особенно если учесть что первичка пропитана лаком на эпоксидке.
Посмотри еще раз БУ проверь осцилу, не достают ли его помехи .БУ должен стоять подальше от тр. и др. и не касатся корпуса.
Раз у меня был БУ(спрятан в жестянку) прикручен к корпусу ,транс визжал как резаный ,но при этом все работало ,выбросы появлялись на мин.токе.
ДОБАВЛЕНО 04/03/2013 12:59
прикрутил БУ через текстолит и все наладилось. Какие конденсаторы стоят в резонансе?
ДОБАВЛЕНО 04/03/2013 13:02
может лопнул ферит в трансе когда стягивал? | На счет бу понял буду смотреть ,я к нему экран привернул после бабаха побробую сниму.
корпусс из текстолита
конденсаторы стояли к73 импортные 6шт паралельно-последовательно ,но их проверял мегометром 1000в пробоев не было
на всякий заменил.
сейчас стоят siemens тоже пленочные натуральный дойчланд паралельно-последовательно общее напряжение 2400в
феррит не на дросселе не на трансе не лопнутый.
ДОБАВЛЕНО 04/03/2013 15:17
У Вас спросили данные тр-ра, у негуляева на разных тр-тор намотан-какой сердечник именно у вас.?
сердечник 20x28 2500hm 1 штука , первичка 19витков (больше не влезло) вторичка 3+3 лентой |
|
Jorg63
Передовик
Сообщения: 1185
|
demyan-yar!
1 сердечник Ш20*28 не очень для транса в резонере, и частоте килогерц 30,как я думаю у вас при данных витках. работа транса вблизи насыщения и закономерно что у вас Ебуки уходят на тот свет. при данных витках как у вас частоту надо поднять до 40-45 кгц,чтобы уйти от насыщения,но в резонере вроде не принято на такой частоте работать. в кондер-баласте данный сердечник работает нормально на частоте 40-45 кгц.как снятие проблемы делайте на двух комплектах
Ш20*28 или поищите сердечники получше. |
|
oleg1ma
Завсегдатай
Сообщения: 371
|
| demyan-yar писал: |
сердечник 20x28 2500hm 1 штука , первичка 19витков (больше не влезло) вторичка 3+3 лентой | С таким сердечником и витками все время будут вылетать диоды, |
|
Jorg63
Передовик
Сообщения: 1185
|
Предлагаю бескровный способ первичной подачи напряжения 300 вольт на мост. если есть ЛАТР то плавно подавайте напряжение на силовую часть сварника.Источник питания управы должен включен быть напрямую к сети, если через ЛАТР подаете питание.Наличие блокировочных конденсаторов на ключах обязательно!!!!!!(0,47-1микрофарад) Используя этот вариант вы сберегаете нервы и дензнаки,если что то накосячили в силе или проблемы с моточными изделиями моста. Предварительно должна произведена настройка на малой силе 30-40 вольт.При подачи через указанную цепочку предохранитель-резистор 10 ом 2 ватта мы ограничиваем ток.Резистор можно и больше взять 20/30ом,соответственно по падению напряжения пересчитать ток. Если все нормально с силой то падение напряжение на резисторе не более 2-3 вольта на холостом ходу,что соответствует току потребления 200-300 миллиампер.,это нормальный режим. Если имеется насыщение феррита транса или другие проблемы,то перегорит предохранитель или падение напряжения будет значительно выше 2-3 вольт на резаке и это значит вам тема для размышления,что и где не досмотрели. Ключи останутся целые. Если при подобном первичном подключении все у вас ОК то можно подавать силу по постоянной схеме.
УДАЧИ!И БЕЗ ПРОБЛЕМНЫХ ЗАПУСКОВ!

|
|
|
Linderman
|
| Собрал мост подал 220в никакого шума на выходе регулируется 60-85в как вы считаете когда в резонансике напруга 70-80внормальный ли перепад напряжения |
|
|
Виталий89
|
Всем привет. Вот что у меня получилось из-за неосторожности. Сегодня гонял свой сварник, все настроил, без шумов, без писков, хорошо пошел на 40 вольт, осциллы идеальни. Подал 220 - все супер, померил выход - 110В с удвоителем, но тут захотелось мне посмотреть осциллы и на 220В, такой с умным лицом лезу земляным крокодилом (щупом) осцилла к верхнему ключу... и только я коснулся... как не раздастся БАБАХ... Все это перед глазами Сижу такой в недоумении, с легким шоком присматриваюсь, выбил автомат на сварнике и на стенде. Немножко отдохнул, подумал, посмотрел позади осцилла - а он ЗАЗЕМЛЕННЫЙ, да еще без развязывающегося трансформатора. В итоге всех исследований после случившегося сгорел по удивлению только сопрессор 1,5КЕ350СА по питанию ключей 310В. Все остальное, в том числе и ключи - целые. Все это из-за спешки.
Может кто и говорил, но повторюсь - соблюдайте инструкции, ТБ и будьте внимательны, обдумайте каждый шаг, не повторяйте моих и других товарищей ошибок, а то могут быть намного печальные ситуации!
Удачи в сваркостроении! |
|
mjntana
Завсегдатай
Сообщения: 587
|
demyan-yar:
конденсаторы стояли к73 импортные 6шт паралельно-последовательно ,но их проверял мегометром 1000в пробоев не было
на всякий заменил.
сейчас стоят siemens тоже пленочные натуральный дойчланд паралельно-последовательно общее напряжение 2400в
феррит не на дросселе не на трансе не лопнутый.
ДОБАВЛЕНО 04/03/2013 15:17
У Вас спросили данные тр-ра, у негуляева на разных тр-тор намотан-какой сердечник именно у вас.?
сердечник 20x28 2500hm 1 штука , первичка 19витков (больше не влезло) вторичка 3+3 лентой[/quote]
Точно на транс нужно Е70 или 2Е65 это по минимуму.
кондеры в резонанс ставить не просто пленочные а еще и импульсные К73 негодится за сименс не скажу не знаю какие они у тебя.Я брал когдато пленочные MPB,красивые пластмсовые жолтого цвета,в резонанс пробовал ставить - не пошли. использовал как блокировочные.
ДОБАВЛЕНО 04/03/2013 21:07
| Linderman писал: | | Собрал мост подал 220в никакого шума на выходе регулируется 60-85в как вы считаете когда в резонансике напруга 70-80внормальный ли перепад напряжения |
Что значит перепад напряжения? 70-80в.без удвоителя даже многовато.но если нет выбросов то пойдет. Силу настраивал? |
|
|
YVD70
|
| Приветствую всех инверторостроителей. В эти выходные перемотал транс на 2Е65 14/3+3, снял с дросселя 2 витка (было 12), вкинул зазор 0,23-0,25 мм под каждый керн, выкинул удвоитель. Первичку намотал проводом 2 мм, вторичку шинкой 6х3 мм. ЕБУКИ не вешал. Включил и обалдел. Двухканальный осцылограф показал импульсы на выходе транса с амплитудой по 150В в каждом плече. В общем с транса валит 300В. А где же 14/3=4,66 коэфициент трансформации. В первом трансе 1Е65 18/3+3 все соответствовало, и выход был 50-60В, правда с диодов. Можно ли навешивать ЕБУКИ. |
|
mjntana
Завсегдатай
Сообщения: 587
|
| YVD70 писал: | | Приветствую всех инверторостроителей. В эти выходные перемотал транс на 2Е65 14/3+3, снял с дросселя 2 витка (было 12), вкинул зазор 0,23-0,25 мм под каждый керн, выкинул удвоитель. Первичку намотал проводом 2 мм, вторичку шинкой 6х3 мм. ЕБУКИ не вешал. Включил и обалдел. Двухканальный осцылограф показал импульсы на выходе транса с амплитудой по 150В в каждом плече. В общем с транса валит 300В. А где же 14/3=4,66 коэфициент трансформации. В первом трансе 1Е65 18/3+3 все соответствовало, и выход был 50-60В, правда с диодов. Можно ли навешивать ЕБУКИ. |
Действительно,где же коэфициент трансформации? Чего то не то ты намерил.Даже к гадалке не ходи . для проверки замерь напряжение на первичке. если на вторичке у тебя с трех витков 150в. то на первичке должно получится около 700в.и 600вольтовым ключам это не понравится.
ДОБАВЛЕНО 04/03/2013 22:04
К стати ,последний апарат делал точно такой транс и дросель как у тебя зазор только 0.4мм. ключи по75А. На ХХ без удвоителя 65в. выдает 180А. на частоте 35кгц. |
|
|
YVD70
|
| Так в том то и дело что ключам все нравится. Я же напругу до 220В поднял, просто мерял без диодов с транса прямо, может без диодов так и должно быть? Кстати латер включен через лампочку 500Вт, если в схеме косяк лампа загорается и не дает спилить схему. |
|
mjntana
Завсегдатай
Сообщения: 587
|
| Так я ж тебе и говорю что мериш ты неправильно.Не может быть при твоей компановке 150в в плече. Ставь диоды и влючай на 30-40в.силы на мост ,поднимай и замеряй. |
|
|
YVD70
|
| Понял. Так и сделаю. Спасибо! |
|
|
Linderman
|
| 60-80в это напряжение регулируется регулировкой тока еще хочу спросить какая всеже оптимальная регулировка настройки аппарата уж очень много их написано и все по разному |
|
mjntana
Завсегдатай
Сообщения: 587
|
[quote="Linderman"]60-80в это напряжение регулируется регулировкой тока еще хочу спросить какая всеже оптимальная регулировка настройки аппарата уж очень много их написано и все по разному[/quote
На вкус и цвет товарища нет . Все зависит от того какие характеристики ты хочеш получить от апарата. Ежели помягче хочеш,то класическая настройка , чуть жостче ,димоновская, но зато намного проще и наверняка.
ДОБАВЛЕНО 05/03/2013 09:32
посмотри личные сообщения |
|
|
251276velikorodnyi
|
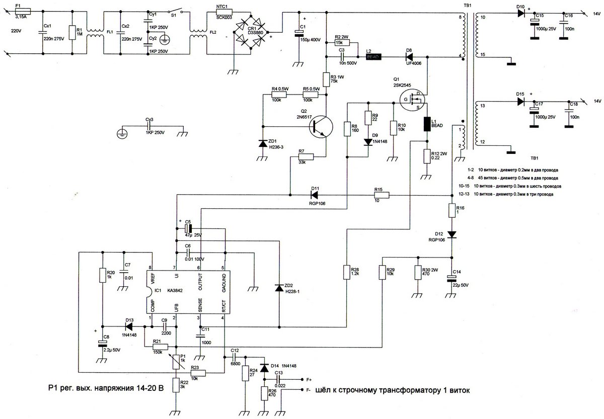
Здравствуйте. Решил заменить в сварочнике блок питания трансформаторный на импульсный. Взял блок питания с монитора, перемотал трансформатор, схема прилагается. После включения: напряжение на выходе появляется через 1,5-2 секунды это не выведет ключи из строя?
Импульсный блок питания 1.jpg 113.96 КБ Скачано: 426 раз(а)
|
|
Skif
Завсегдатай
Сообщения: 876
|
| нет, не выведет. Тлка раньше 8В не запустится |
|
Jorg63
Передовик
Сообщения: 1185
|
| Убрать цепочку из блока R3- R4- R5- R7- ZD-1Q2 и заменить резистором 47-68ком 2Ватта,включив его между +300 и 7 ногой 3842,блок питания будет запускаться быстрее.также R24 замкнуть на корпус и отключить D14,внешняя синхронизация здесь не нужна. |
|
profinrus
Завсегдатай
Сообщения: 533
|
появились два горелых сварочника gysmi 161.
на силовой плате чиповые диоды накрылись,какие есть соображения по замене,кто знает?
места в аппарате всё впритык!!! |
|
Skif
Завсегдатай
Сообщения: 876
|
| а фото? Я так подозреваю они на керамическу подложку припаяны? |
|