| Автор | Сообщение |
|
IZUMRAT
|
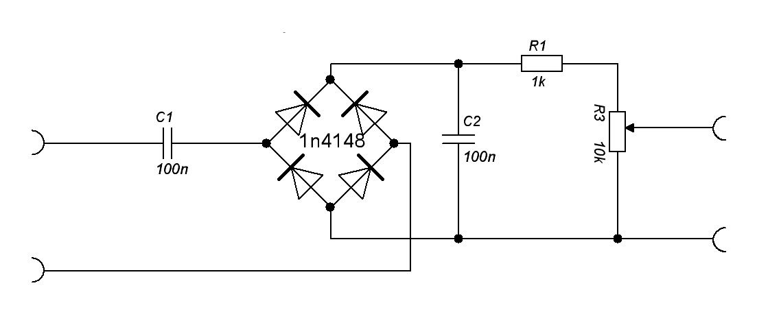
Измеритель ESR конечно хорошая вещь , их у меня аж 4 штуки. Но когда по шине питания стоит куча электролитов параллельно и приходиться выпаивать каждый. Хорошо если плата односторонняя , а когда материнка какая-нибудь или твердотельные кондеры с поверхностным монтажом. Пришла мысль , что просто надо померить напряжение пульсаций на шине питания. Схема простая. Пульсации через кондер выпрямляются и подаются на мультиметр и измеряются по постоянному напряжению. Надо просто откалибровать по осциллографу размах и подстроить выход. Схема еще не собиралась , но вроде ничего нового не изобрел. Для выездных будет хорошим подспорьем в ремонте.
ESR.JPG 34.78 КБ Скачано: 1528 раз(а)
|
|
viktor_ramb
Сам себе начальник
Сообщения: 23835
|
IZUMRAT, | Цитата: | | но вроде ничего нового не изобрел. |
Да в общем-то действительно так - эта простая мерялка пульсаций была известна задолго до первых ESRметров !
| Цитата: | | Для выездных будет хорошим подспорьем в ремонте. |
И какие же это девайсы с подобными фильтрами питалова нужно ремонтировать в открытом поле?  |
|
БЕЗЫМЯННЫЙ
Бегущий по граблям
Сообщения: 7608
|
| Недавно сталкивался с интересной проблемой источника: по выходу выпрямителя конденсатор, потом дроссель и еще один конденсатор. В общем-то классика, но почему-то в 3 х одинаковых устройствах были дохлые и не вздутые вторые конденсаторы при целых первых. Посмотреть осциллом что на них творится возможности не было. Наверняка не с частотой питателя пульсации. |
|
iga
Заместитель Администратора
Сообщения: 12524
|
| Частотой...Не а. С качеством "изделия" и раком сбоку взятого на обум дросселя и разводкой монтажа. Про болтающиеся катушки ТПИ отдельный разговор. - - - - - - - - - На форуме ESpec 2 414 846 сообщений в 228 177 темах.
|
|
БЕЗЫМЯННЫЙ
Бегущий по граблям
Сообщения: 7608
|
| iga, ну насчет качества изделия не знаю. Аппараты fujitsu 2007-8 года издания, непрерывно работали все это время и что характерно померли в течение 2 месяцев друг за другом. "Первый раз случайность, второй совпадение, третий КГБ" (С) |
|
viktor_ramb
Сам себе начальник
Сообщения: 23835
|
| БЕЗЫМЯННЫЙ писал: | | Недавно сталкивался с интересной проблемой источника: по выходу выпрямителя конденсатор, потом дроссель и еще один конденсатор. В общем-то классика, но почему-то в 3 х одинаковых устройствах были дохлые и не вздутые вторые конденсаторы при целых первых. Посмотреть осциллом что на них творится возможности не было. Наверняка не с частотой питателя пульсации. |
Немаловажна частота преобразования - возможен резонанс после дросселя. И не сказано за "одинаковость" кондюков до и после дросселя - китайцы экономят по четверть цента на каждом кондюке, который по их мнению может более дешёвый работать в менее ответственном месте. |
|
БЕЗЫМЯННЫЙ
Бегущий по граблям
Сообщения: 7608
|
| viktor_ramb, Одинаковость соблюдена, хотя в ее целесообразности я сумлеваюсь, с обеих сторон дросселя по 1000 мкф 25в (при напряжении на выходе 12в) LO ESR, вот из одной ли партии посмотреть уже не смогу. Кетаем там по ходу даже не пахло. |
|
sofrina
Модератор
Сообщения: 4833
|
| IZUMRAT писал: | | Измеритель ESR конечно хорошая вещь , их у меня аж 4 штуки. Но когда по шине питания стоит куча электролитов параллельно и приходиться выпаивать каждый. Хорошо если плата односторонняя , а когда материнка какая-нибудь или твердотельные кондеры с поверхностным монтажом. Пришла мысль , что просто надо померить напряжение пульсаций на шине питания. Схема простая. Пульсации через кондер выпрямляются и подаются на мультиметр и измеряются по постоянному напряжению. Надо просто откалибровать по осциллографу размах и подстроить выход. Схема еще не собиралась , но вроде ничего нового не изобрел. Для выездных будет хорошим подспорьем в ремонте. |
для выездных работ обязательно нужно иметь и хорошие приборы и хорошие инструменты, в отличии от стационарного ремонта, где требования помягче, можно и приборы самодельные применить или даже приборы размером со шкаф применить, сам держу на всякий случай в3-41,г3-111,ч3-32,с1-49 , а вот для выездных работ использую более серьезные приборы, хотя была тоже самоделка для измерения пульсаций- только не оправдала того на что она была заявлена, элементарная переполюсовка уже давала разные показания |
|
|
IZUMRAT
|
С новым годом всех!
Ну , не у всех есть возможность приобрести хорошие приборы . У нас в городе вообще "маcтера" с мультимером только ходят и интернет для них роскошь.
И если заработает за день 20 баксов - это хорошо.Эта приставка предназначена для армии тех телемастеров которые живут в городках ,селах.
Не надо мерять всех на свой аршин. |
|
KRAB
Распугиватель клиентов
Сообщения: 21704
|
IZUMRAT, ESR-метр отличного качества делается по цене 0,5 пива и 20 минут работы ...  |
|
sofrina
Модератор
Сообщения: 4833
|
| IZUMRAT писал: | С новым годом всех!
Ну , не у всех есть возможность приобрести хорошие приборы . У нас в городе вообще "маcтера" с мультимером только ходят и интернет для них роскошь.
И если заработает за день 20 баксов - это хорошо.Эта приставка предназначена для армии тех телемастеров которые живут в городках ,селах.
Не надо мерять всех на свой аршин. |
не совсем это имел в виду,по той схеме что из первого поста уже собирал девайс, все поместилось в корпусе от маркера и в виде щупа, только доверять измерениям нельзя, погрешность плюс-минус километр
 |
|
|
ВоваКост
|
|
Юрий 72
Передовик
Сообщения: 1397
|
Схему все-таки надо изменить(доработать) диоды типа Д9 с падением 0.2V и частотой повыше( не помню сколько у Д9) и включить по схеме с удвоением.
Или на входе усилитель поставить и питание от таблетки 3V/
ДОБАВЛЕНО 30/01/2014 18:15
Вспомнил, щас же Шоттки есть вместо Д9. |
|
БЕЗЫМЯННЫЙ
Бегущий по граблям
Сообщения: 7608
|
ВоваКост, "В современной технике электролитические конденсаторы часто шунтируются индуктивностью менее 1 мкГн...." повеселило  |
|
viktor_ramb
Сам себе начальник
Сообщения: 23835
|
| KRAB писал: | IZUMRAT, ESR-метр отличного качества делается по цене 0,5 пива и 20 минут работы ...  |
Иногда "хорошего" бывает мало, выручает только "отличный" !
Если конечно только "Романтика 220С 50у" ремонтить, ну ещё и "Радиотехника У7111" с ТВ-тройками, то хватит конечно и "удовлетворительного", но если ремонтить ИБП на ШИМ с частотой преобразования 135 кГц, то "самопал" только с хорошо растянутой шкалой "0...0,1" выручит, а с таким повозиться придётся и "статистику" прочувствовать - при нечастых ремонтах и зажимистости на бабло для приобретения стоящего ESRметра, проще и дешевле бульдозерить литы, чтобы быстрее, надёжней и долговечней получалось ечно с применением соответствующего качества и типа литов. не далее чем сегодня утром звонил коллега-стиральщик и спрашивал что-то тира Випера23, который у него занижает напругу и релаксирует, на это сказал ему про литы, а он заверил меня что проверял их на ёмкость, на что я его грубо-дружески послал ... глубже изучить понятие ESR - через полчаса он перезвонил и подтвердил мою "авторитетность" в этом вопросе полезностью советов по литам и пообещал поставить пива! Заодно поинтересовался что за С-ESRметрами я снабжаю коллег.  |
|
Rom-Zecs
Передовик
Сообщения: 2900
|
| Юрий 72 писал: | Схему все-таки надо изменить(доработать) диоды типа Д9 с падением 0.2V и частотой повыше( не помню сколько у Д9) и включить по схеме с удвоением.
Или на входе усилитель поставить и питание от таблетки 3V/
ДОБАВЛЕНО 30/01/2014 18:15
Вспомнил, щас же Шоттки есть вместо Д9. |
первое не дает эффекта, второе - проще взять ne555 |
|