| Автор | Сообщение |
|
Linderman
|
| Схему которую выдал skij самая надежная я много перепробовал этих схем но БУ лучше делать на транзисторах а не на микросхеме аппарат свой проверил электродом варит очень хорошо побольше бы таких людей как skij руское ему спасибо |
|
|
wafa61
|
| stradalev писал: |
а на каких ключах собран аппарат? |
На IRG4PC50UD
ДОБАВЛЕНО 14/03/2013 18:53
| Jorg63 писал: | wafa61
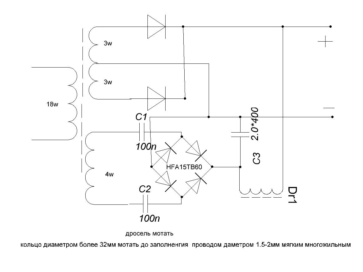
Если бы при 18 витках первички первого варианта транса,пристроили бы полуторную повышалку и варил бы и аппарат уверенно до 160 вольт. Мотается отдельная обмотка на на транс 4 витка провода 2 мм,аккурат ложиться между витками рабочей вторички а далее как у Негуляя умножение. |
Не понял совсем: есть транс 18вит(4мм2) 3вит+3вит)х2
(18мм2). Т.е. Вы предлагаете поставить на выходе удвоитель на 160а?
ДОБАВЛЕНО 14/03/2013 19:02
Тема, конечно, разрослась и найти что-то всё труднее и труднее.
Это я к тому, что неплохо-бы как-то упорядочить весь этот бесценный материал.
Например разбить форум на подразделы: Комплектующие, БП, БУ, Технологии изготовления и т.д |
|
Jorg63
Передовик
Сообщения: 1185
|
wafa61
При ваших витках 18/3/3 мотаете отдельную обмотку на трансе 4 витка диаметром 2 мм примерно и далее умножалка Негуляя-по моему все просто и понятно. если сеть нормальная то можно отключать повышалку. В принципе такое можно притулить в любой сварочник если малое напряжение холостого хода |
|
profinrus
Завсегдатай
Сообщения: 533
|
а что бы не отключать,придумай контроль входного напряжения и автоматом будет подключаться.
как тебе идея!  |
|
|
wafa61
|
[quote="Jorg63"]wafa61
При ваших витках 18/3/3 мотаете отдельную обмотку на трансе 4 витка диаметром 2 мм примерно и далее умножалка Негуляя-по моему все просто и понятно.
Если не трудно пожалуйста ответьте:
То, что надо намотать 4витка 2мм я понял, но как и куда его
соединять- в первичку, во вторичку, последовательно?
Какие параметры у " умножалки Негуляя" и куда его присобачть?
ЗЫ Учился в глухой деревенской школе. |
|
Jorg63
Передовик
Сообщения: 1185
|
| profinrus писал: | а что бы не отключать,придумай контроль входного напряжения и автоматом будет подключаться.
как тебе идея!  | Идея имеет право на существование,флаг в руки как говориться.!Хотя при 80-90 вольтах на холостом ходу с повышалкой думаю ничего не надо и мудрить с выключением.. Когда дуга зажглась то сварочное напряжение на дуге в районе 20-25 вольт даже при провальной сети.Весь сюжет в том, что при провальной сети плохо поджиг идет,а повышенное напряжения как раз и нивелирует эту проблему. |
|
profinrus
Завсегдатай
Сообщения: 533
|
я в саду варю,удлинитель 40 метров 1.5 кв.мм кабель,сварочные кабеля по метров 6,не меньше,никаких проблем!
это я с умножителем.
так что мне отключать не надо.
у меня напруга,порядка 100 вольт на умножителе. |
|
Jorg63
Передовик
Сообщения: 1185
|
[quote="wafa61"]| Jorg63 писал: | wafa61
При ваших витках 18/3/3 мотаете отдельную обмотку на трансе 4 витка диаметром 2 мм примерно и далее умножалка Негуляя-по моему все просто и понятно.
Если не трудно пожалуйста ответьте:
То, что надо намотать 4витка 2мм я понял, но как и куда его
соединять- в первичку, во вторичку, последовательно?
Какие параметры у " умножалки Негуляя" и куда его присобачть?
ЗЫ Учился в глухой деревенской школе. |
Обмотка мотаеться поверх рабочей вторички, как раз между витками отлично ложиться.Не с чем она не соединяется,только с умножалкой! Умножалка Негуляя на этой ветке есть и разжевано от и до. Диодный мост умножалки любые шустрые диоды с током более 10 ампер от 400 вольт и выше.
wafa61! Сейчас думаю сюжет мыслей моих уловили?
повышалка.jpg 55.14 КБ Скачано: 533 раз(а)
|
|
mjntana
Завсегдатай
Сообщения: 587
|
А если просто делать удвоитель по класической схеме?Дело в том что на Е65 не всегда есть место еще для одной обмотки.Я мотал литцем(петля размагничивания с кинескопа),так еле втиснул,еще 2мм там бы не нашлось.Конечно если мотать шиной или 4мм.кв.проводом,то немного места будет но не у всех тут смотря как мотать . |
|
Jorg63
Передовик
Сообщения: 1185
|
| mjntana писал: | А если просто делать удвоитель по класической схеме?Дело в том что на Е65 не всегда есть место еще для одной обмотки.Я мотал литцем(петля размагничивания с кинескопа),так еле втиснул,еще 2мм там бы не нашлось.Конечно если мотать шиной или 4мм.кв.проводом,то немного места будет но не у всех тут смотря как мотать . |
между витками можно попробовать втиснуть 4 витка. а если использовать как у Негуляя с рабочей обмотки напряжение,то это уже будет перебор по напряжению.варить будет херово.будет длинная дуга при хорошей сети. ну если вы сечение заложили под 20мм2 ,то вполне и не влезит. сечение хватает вторички 12 мм2 за глаза
Имеет смысл всем этим заворачиваться при большом коэф. трансформации транса (более 6) при коэф трансформации 5 напряжения на выходе хватить варить и на пониженных сетях |
|
|
wafa61
|
шустрые диоды с током более 10 ампер от 400 воле.
wafa61! Сейчас думаю сюжет мыслей моих уловили?[/quote]
Уважаемый Jorg63! Приведенная схема ,как я понимаю,
служит исключительно для улучшения поджига дуги (высоковольтный пробой) и имеет
незначительное отношение к формированию рабочего тока
(120-150а)
И для работы в "слабых" сетях с одним сердечником Е65
одним из способов увеличения выходного рабочего тока является уменьшение коэфф. трансформации.
Т.к. первичку меньше 18 вит. мотать нельзя(вход сердечника в насыщение на хх), то надо увеличивать к-во витков вторички наверное где-то 5+5 с максимально возможным сечением .
Может я не прав-пусть меня поправят более опытные товарищи. |
|
Jorg63
Передовик
Сообщения: 1185
|
| wafa61 писал: |
Т.к. первичку меньше 18 вит. мотать нельзя(вход сердечника в насыщение на хх), то надо увеличивать к-во витков вторички наверное где-то 5+5 с максимально возможным сечением .
Может я не прав-пусть меня поправят более опытные товарищи. |
На Е65 шибко много витков вторички не намотаете. можно и 5+5 но сечение будет малое . А толку? проще указанное мной проделать,без переделок транса
4+4 еще можно всунуть сечением 9-10мм2.уже приемлемо будет |
|
|
TJAlex
|
| Приветствую всех.Вопрос к практикам - из чего можно изготовить амперметр на 200 ампер. Заводского достать не представляется возможным.Рассматриваю такой вариант-шунт из чего-то подручного и вольтметр(либо головка на 75 мВ либо обычный мультиметр).Вот из чего изготовить шунт,никак не придумаю. Если взять медную шину 20мм*2 отмерять нужную длину,можно ли будет верить такому прибору? Манганина или нихрома с нужными параметрами нету, поэтому приходится извращатся. |
|
Jorg63
Передовик
Сообщения: 1185
|
| TJAlex писал: | | Приветствую всех.Вопрос к практикам - из чего можно изготовить амперметр на 200 ампер. Заводского достать не представляется возможным.Рассматриваю такой вариант-шунт из чего-то подручного и вольтметр(либо головка на 75 мВ либо обычный мультиметр).Вот из чего изготовить шунт,никак не придумаю. Если взять медную шину 20мм*2 отмерять нужную длину,можно ли будет верить такому прибору? Манганина или нихрома с нужными параметрами нету, поэтому приходится извращатся. |
шунт можно из нержавейки электрода диаметром 3 мм 2 в параллель.,длина экспериментально. стабильность не хуже чем стандартный шунт |
|
|
lz3cv
|
|
|
TJAlex
|
| Jorg63 писал: | | TJAlex писал: | | Приветствую всех.Вопрос к практикам - из чего можно изготовить амперметр на 200 ампер. Заводского достать не представляется возможным.Рассматриваю такой вариант-шунт из чего-то подручного и вольтметр(либо головка на 75 мВ либо обычный мультиметр).Вот из чего изготовить шунт,никак не придумаю. Если взять медную шину 20мм*2 отмерять нужную длину,можно ли будет верить такому прибору? Манганина или нихрома с нужными параметрами нету, поэтому приходится извращатся. |
шунт можно из нержавейки электрода диаметром 3 мм 2 в параллель.,длина экспериментально. стабильность не хуже чем стандартный шунт |
закрепить можна болтами или уши приварить?
ДОБАВЛЕНО 15/03/2013 22:10
А сколько у Вас общая длинна получилась меди? У меня шинка 20 квадратов её по идее вдвое больше надо. |
|
|
Monday
|
Тоже интересуюсь изготовлением шунта для амперметра только на 300А, что бы можно и ток КЗ посмотреть, который будет больше чем 200А. Теоретически посчитать не проблема зная удельное сопротивление, вычисляем площадь и длину. Все расчеты ведутся от наличия головки прибора ее тока полного отклонения и внутреннего сопротивления. Вот нарыл в нете формула в экселе для расчета сопротивления подставляем диаметр провода в «мм» и длину в «м», и получаем сопротевление считает вроде правильно , и прога которая не уверен что считает правильно .
Provoloka.rar 154.57 КБ Скачано: 383 раз(а)
Расчет сопротивления.rar 8.41 КБ Скачано: 429 раз(а)
|
|
Jorg63
Передовик
Сообщения: 1185
|
TJAlex! Берете электрод слаживаете по-полам.в месте изгиба болт с выходной клеммой ,а далее зажим с болтом смещаете по электроду и получите нужное сопротивление шунта. необязательно ток 200 ампер давать при настройке , достаточно и ампер 20 и по падению напряжения рассчитать шунт на любой имеющуюся у вас микроамперметр. К примеру при 20 ампер получите падение напряжения 10миливольт,соответственно при 200 амперах будет падение 100 миливольт. вот на эти 100 миливольт и настройте имеющуюся у вас измерит головку и пометьте конец шкалы как 200 ампер.
Схематично представил как я делаю.вроде понятно. можно использовать и пластину из нержавейки толщиной 2-2.5 мм а ширина и длина по факту,аналогично подбор.
По окончании подгонки можно и сделать сварные соединения на шунте.
Шунт получается компактный,можно его и оставить в аппарате,если вести контроль тока с шунта. При падении напряжения 100мв на 200 амперах нагрев шунта небольшой и стабильность не хуже чем стандартный шунт
подбор шунта.jpg 22.03 КБ Скачано: 633 раз(а)
|
|
|
evg9652
|
Я так же делал на электродах из нержавейки
ДОБАВЛЕНО 16/03/2013 19:40
Так же делал шпильки из нержавки для трансов и дросселей |
|
|
TJAlex
|
| Пасибо будем ваять, завтра выходной. |
|