| Автор | Сообщение |
|
Balon
|
| Осмелюсь спросить ув.Скифа.Тема с мозгами умерла или есть смысл подождать?Хотелось бы продолжения. |
|
|
anatol1989
|
| народ подскажите пожалуйста можно ли отжигать шинку для намотки 2 силового транса |
|
Jorg63
Передовик
Сообщения: 1185
|
| anatol1989 писал: | | народ подскажите пожалуйста можно ли отжигать шинку для намотки 2 силового транса |
Можно,но после отжига палирните перед изоляцией ее,удалите окистную пленку.И на долгий ящик не откладывайте намотку. через скорое время шинка обратно станет жесткая. |
|
|
anatol1989
|
| если я мотаю 2 шинкой14кв на 2е65 получиться варить и резать 4-ой (1-14вит, 2 3+3 14кв) |
|
Jorg63
Передовик
Сообщения: 1185
|
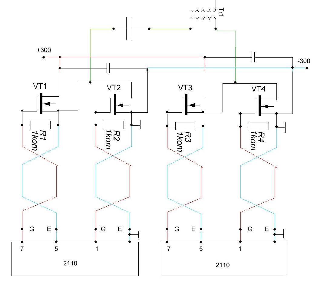
Вот вариант расключения моих дров V2. Товарищу предложил,не получалось у него стандартно включить.
Пары ключей разнесены на разные стороны радиаторов,соединены с драйверами транзисторы витой парой от сетевухи длиной около15 см, разным цветом провода в витой паре указал чтобы не путаться. Блокировочный кандюки и резисторы по 1 ком прямо на ногах ключей. Посмотрели сигналы на затворах.разницы особой не заметил что ключи рядом с драйвером что разнесены. Если будет наблюдаться небольшой колеб. процесс на импульсе в цепи затвора то включить последовательно в цепь затвора каждого ключа анти-паразитный резистор 5.1 ом прямо на ноги,это предположение такого варианта,если возможно компанов узлов в корпусе будет неудачен.В резонере компанов критичен
Кто в теме поймет рисунок.
Может кому будет интересно!
расключение моста.jpg 58.94 КБ Скачано: 492 раз(а)
|
|
|
TJAlex
|
| Привет всем.Сегодня подключил сварник от транса 45в (силовую).Выдал на нагрузку ватт 250.При замере напруги на выходе получается в одном плече на некоторую величину отличается,либо выбросы при одном полупериоде больше на едак процентов 20 . Транс2Е70 11,5+2,5*2,5 дроссель РМ62 Н44 8,5 Fрез 31 кГц (0,15 Ом), во вторичке снаббер 0,01мкФ 30 Ом супрессор 350 В варистор 330 В.Под нагрузкой радиаторы вых диодов греются вроде одинаково (без обдува)Из приборов дома только тестер,ослики на работе. Замерял одним щупом на общий а другим через ультрафаст на концы вторичной обмотки, паралельно щупам сопротивлятор 4,7 кОм. Было ли у кого подобное явление? |
|
Jorg63
Передовик
Сообщения: 1185
|
| TJAlex писал: | | Привет всем.Сегодня подключил сварник от транса 45в (силовую).Выдал на нагрузку ватт 250.При замере напруги на выходе получается в одном плече на некоторую величину отличается,либо выбросы при одном полупериоде больше на едак процентов 20 . |
ЭТО ГДЕ В КАКИХ ПЛЕЧАХ ПО КОНКРЕТНЕЕ.ИЗЛАГАЙТЕСЬ ЯСНЕЕ! |
|
|
TJAlex
|
| На выходе(вторичке) транса. Всё собрано полностью,резонанс устанавливался с силовыми кабелями |
|
Jorg63
Передовик
Сообщения: 1185
|
| TJAlex писал: | | На выходе(вторичке) транса. Всё собрано полностью,резонанс устанавливался с силовыми кабелями | что вы меряете на втроичках ,меряйте после диодов выпрямителя. если синусоида в резонансе нормальная и на затворах импульс ОК, то чего паритесь. |
|
|
TJAlex
|
Померяю токо завтра,С1-114 тяжелей чем сварник домой тащить не схотел, проще завтра его отнести к ослику, весу с него килограмм 4 с кишками,Вчера мерял на работе,запитав силоую от двух последовательно соединённых бучных блоков питания ,так на выходе получалась вот такая картинка,я подумал что мож ослик у меня заземлён,было поздно, разбиратся было некогда

|
|
Jorg63
Передовик
Сообщения: 1185
|
| TJAlex писал: | | Померяю токо завтра,С1-114 тяжелей чем сварник домой тащить не схотел, проще завтра его отнести к ослику, весу с него килограмм 4 с кишками,Вчера мерял на работе,запитав силоую от двух последовательно соединённых бучных блоков питания ,так на выходе получалась вот такая картинка,я подумал что мож ослик у меня заземлён,было поздно, разбиратся было некогда |
чтобы не вводить себя в заблуждения при измерении осликом всегда меряйте через делитель 1/10. вот осликом глянете ослины и покажете и будем думать потом |
|
|
TJAlex
|
| Фотка первый раз не прошла. Делитель есть как раз 1:10 товарищ из германии прислал, с подстроечным кондёром и провод мягонький, очень удобно пользоватся. Родные совдеповские висят на гвоздике, ими токо в лампоых теликах колупатся,(как люди когдато ими в технику лазили,ето ж потенциальный короткозамыкатель) |
|
|
Balon
|
|
|
TJAlex
|
а чё тода они греются одинаково?
ДОБАВЛЕНО 17/03/2013 18:08
звонил звонятся норамльно,падение на них тоже в норме |
|
Jorg63
Передовик
Сообщения: 1185
|
| TJAlex писал: | а чё тода они греются одинаково?
ДОБАВЛЕНО 17/03/2013 18:08
звонил звонятся норамльно |
промеряйте с делителем все будет нормаль |
|
|
TJAlex
|
| Если проблема неравномерного напряжения есть то её можна будет проверить подключением через диод скажем лампочки ват на 50 к разным выходам трансаи по яркости свечения определить разность напруг на концах транса? |
|
Jorg63
Передовик
Сообщения: 1185
|
| TJAlex писал: | | Если проблема неравномерного напряжения есть то её можна будет проверить подключением через диод скажем лампочки ват на 50 к разным выходам транса? | да в конце концов диоды местами поменяете,если гипотетически предложить что диод глюкает |
|
|
TJAlex
|
| Вот ето я как раз и не подумал,лежит ещё пара 40EPF12 .ну ето пусть на завтра уже будет ,надо то в конце концов и отдохнуть хоть пару часов в неделю (а пустить искру то эх ручёнки чешутся) |
|
Jorg63
Передовик
Сообщения: 1185
|
| TJAlex писал: | | Вот ето я как раз и не подумал,лежит ещё пара 40EPF12 .ну ето пусть на завтра уже будет ,надо то в конце концов и отдохнуть хоть пару часов в неделю (а пустить искру то эх ручёнки чешутся) | Плохо когда руки чешуться ,это не к чему хорошему не приводит обычно. везде нужен трезвый расчет и свежая голова. |
|
|
TJAlex
|
| Процент трезвого мышления преобладает , так как прекрасно известны последствия спешки,немного,но есть горького опыта. |
|