| Автор | Сообщение |
Jorg63
Передовик
Сообщения: 1185
|
| насчет покрытия лаком спору нет. я лично после отладки и настройки дров и силы,промываю плату и покрываю бесцветным лаком из баллончика в пару слоев. проблем с платами что покрывал таким способом уже лет 5-6 нет,не одну не пробило.да и ремонтопригодность когда покрыта тонким слоем лака намного выше.толщина покрытия погоды для пыли не делает ,также как на пробой от влаги,главное равномерно покрывать,тем более что с баллончика покроешь там где кисточкой или другими способами не получиться.Если только окунанием в лак. |
|
|
Alax46
|
Закончил свой сварочник еще в сентябре прошлого года, все некогда было написать. Тр - 2Е70 11/2,5+2,5; Др - РМ62 8,5 (ферриты Epcos); Fрез. - 34 кГц; ЗГ - TL494+IR4426+IRF7319; РТ/ТКЗ=170/210 - настраивал по Dimonу; вес 8,5 кг. Я сварщик не профессионал, использую его для работ по дому. На мой взгляд варит ну очень хорошо. Носил на испытание сварщикам профессионалам - поварили двойкой, тройкой, четверкой и сказали: "Оооо!". Вобщем дали хорошую оценку. Кому будет интересно посмотрите фотки моей конструкции сварочника. Спасибо всем и особенно Skifу, Dimonу239, Дяде Васе и др. Почти на все свои вопросы я нашел ответы на форуме. Так что начинающим сваркостроителям советую почитать все с первой страницы и у вас почти не будет вопросов.
Кстати, я вскрывал платы акриловым лаком "Vika" (продается в автомагазинах, в которых продают материалы для покраски). Чем он мне нравится: если потом после вскрытия надо что-то подпаять, лак не обугливается и не чернеет, а просто испаряется и пайка получается чистенькая.
Svarka.rar 7.01 МБ Скачано: 789 раз(а)
|
|
Jorg63
Передовик
Сообщения: 1185
|
| Alax46 писал: |
Кстати, я вскрывал платы акриловым лаком "Vika" (продается в автомагазинах, в которых продают материалы для покраски). Чем он мне нравится: если потом после вскрытия надо что-то подпаять, лак не обугливается и не чернеет, а просто испаряется и пайка получается чистенькая. |
типа того и я так покрываю платы,оказывается мы не единицы использования покрытия плат таким способом
глянул конструктив вашего изделия ------5+.  |
|
|
Linderman
|
| Как нормально проверить первичную обмотку Тр на пробой не подцепляя его в схему |
|
Jorg63
Передовик
Сообщения: 1185
|
| Linderman писал: | | Как нормально проверить первичную обмотку Тр на пробой не подцепляя его в схему | ?
А что вас так пробой интересовать стал?пробить может как на ферит,если плохой каркас,что думаю можно исключить ну и межвитковое если плохая изоляция провода намотки. Если эти пункты исключены то пробоя не будет в принципе. Межвитковое может возникнуть в ходе работы если транс был перегрет и разрушилась изоляция провода- в этом случае бух неминуемо и без поворотно. |
|
|
Alax46
|
Может кому будет интересно, как я делал каркас и мотал первичную обмотку трансформатора.
Каркас.rar 1.16 МБ Скачано: 595 раз(а)
|
|
|
Vreditel
|
Печатки сам разводил. Работают проверено. Кому понравится пользуйтесь.
Мои печатки.rar 28.17 КБ Скачано: 733 раз(а)
|
|
mjntana
Завсегдатай
Сообщения: 587
|
| Linderman писал: | | Как нормально проверить первичную обмотку Тр на пробой не подцепляя его в схему |
Трудно очень это сделать.Особенно если подозреваеш межвитковый пробой. Дело труба ,транс придется разматывать. Есть одна идея ,но для этого нужен такой же сердечник. намотать на него такую же первичку и замерить индуктивность , сравнить с трансом и сделать вывод. Не могу сказать что это точный выход но должно по идее получится.
ДОБАВЛЕНО 23/01/2013 23:53
Во блин нагородил Сердечник береш тот же ,мотаеш такую же первичку и мериш.попробуй должно получится. |
|
|
Vreditel
|
| Конечно подучится, но есть одно "но". При проверке индуктивности будет все ОК. А при подаче силы может и пробить если есть грешки |
|
Jorg63
Передовик
Сообщения: 1185
|
| Vreditel писал: | | Конечно подучится, но есть одно "но". При проверке индуктивности будет все ОК. А при подаче силы может и пробить если есть грешки |
так смотрите материал которым мотать собираетесь,дерьмо думаю явно видно невооруженным глазом.силовуха ошибок и не прощает! да не заморачивайтесь,если зазор между витками есть то не парьтесь,все нормально.тем более пропитывать первичку наверняка будете |
|
mjntana
Завсегдатай
Сообщения: 587
|
| С эти не спорю. хотя если Лидерман мотал транс с учетом всех нюансов обговоренных неоднократно на этом форуме (провод с хорошей изоляцией + неоднократная пропитка лаком или разогретой эпоксидкой)то пробоев быть не должно в принципе.разве что нагреть транс чтоб аж задымил. |
|
profinrus
Завсегдатай
Сообщения: 533
|
| Linderman писал: | | Как нормально проверить первичную обмотку Тр на пробой не подцепляя его в схему |
наверное всё таки очень просто,берёшь мегометр,ставишь на 1000в и проверяй,хоть с сердечником хоть без.
там напряжение хоть и не импульсное,но оценить качество своего изделия хватит!!! |
|
|
Slavafart
|
Всем доброго дня! Стал осваивать SG3525, а она сразу показала свой характер в виде вот такой осциллограммы. Кто подскажет что сие чудо?)

|
|
Jorg63
Передовик
Сообщения: 1185
|
| Slavafart писал: | | Всем доброго дня! Стал осваивать SG3525, а она сразу показала свой характер в виде вот такой осциллограммы. Кто подскажет что сие чудо?) | откуда сняты импульсы?,если на выходе микры то ничего криминального. наверняка выходы не подгружены резисторами.
не парьтесь все нормально,пауза есть,судя по импульсу но можно чуть добавить,резистор разрядный увеличьте между 5 и 7 ногой микры до ом 270.частота при этом чуть измениться. |
|
|
Slavafart
|
[quote="Jorg63"]| Slavafart писал: | | откуда сняты импульсы? | Импульсы сняты с выхода, и подгружены резисторами 1к |
|
Jorg63
Передовик
Сообщения: 1185
|
[quote="Slavafart"]| Jorg63 писал: | | Slavafart писал: | | откуда сняты импульсы? | Импульсы сняты с выхода, и подгружены резисторами 1к |
можете смело дальше свой импульс отправлять к дровам.фронты отличные у импульса. можете керамики по выводам питания 13 и 15 подцепить. Между 13-15 ногой развязку,типа дроселька поставьте. при работе с данной микрой постоянно развязку делаю по питанию. еще может с разводкой земли чуть не так у вас и поэтому выброс проявился.может и сама микра это гонит. |
|
|
Slavafart
|
| Jorg63 писал: | | можете смело дальше свой импульс отправлять к дровам.фронты отличные у импульса |
Да, фронты у импульса отличные, но мучает неподдельный интерес, что же это?) |
|
Jorg63
Передовик
Сообщения: 1185
|
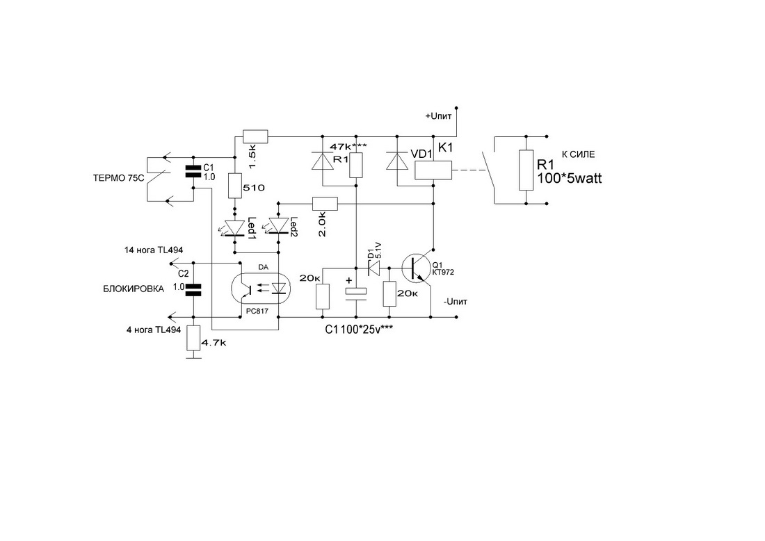
Хочу предложить форумчанам схему блокировки и защиты хорошо себя зарекомендовавшая в сварниках.
Схема блокирует импульсы на выходе ТЛКИ при сработке термореле,на время заряда литов по силе и мониторит источник питания на предмет провала напряжения.Светодиод Led1 загорается при сработке термоконтакта и происходит блокировка TLки.На время зарядки С1 микросхема также блокируеться горит Led2 до момента сработки реле. Делитель в цепи транзистора подбирается(R1) так ,что бы при уменьшении напряжения рабочего на 1-1.5 вольта реле отключалось и соответственно загораеться Led2 сигнализирует что с питанием проблемы и происходит также блокировка микросхемы.Подбором С1 выставляется время срабатывание реле(обычно 1.5-2 сек)хватает для заряда литов питания.
вместо биполярного транзюка КТ972 можно применить полевой типа IRFZ44 или аналогичные
схема блокировки.jpg 52.62 КБ Скачано: 604 раз(а)
|
|
|
Linderman
|
| Где можно посмотреть схемы на печатки посланые 23 01 2013 на 3107 и 4426 за ранее блогадарю |
|
|
arkasan
|
| Подскажите - будет ли хорошо если питание 12В будет опаздывать (допустим на 0,5сек) от подачи на сил.ключи 300В? |
|