ESpec - мир электроники для профессионалов


БП Enlight HPC-250-102 rev:C

  Список форумов » Настольные компьютеры

Следующая тема · Предыдущая тема
АвторСообщение
Anar 
Новичок
Сообщения: 13
Anar
 
Сообщение #1 От 24/03/2016 22:56 цитата  

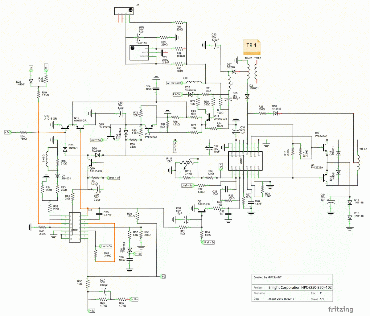
Уважаемые специалисты суть проблемы в том что блок питания запускается и сразу же падают все напряжения кроме дежурки и 13 вольт на питание шима. Провода не выпаивал. Зеленый на землю закорачивал. При подключении лампочки в разрыв цепи (вместо предохранителя) - моргнула. Грешу на уход в защиту, т.к. при включении блока в сеть на клемах наблюдается скачек напряжений и резкое падение, практически за 1 секунду. Вздудых конденсаторов нет. Горелых резисторов нет. Свиста нет. Была заменена TL494, результата нет! По схеме везде, где 5v наблюдается 4,34v. Прошу помочь в поиске неисправности. Схемы нет, вот только фрагмент нашел погуглив:

  1.gif  164.16 КБ  Скачано: 482 раз(а)
Anar 
Новичок
Сообщения: 13
Anar
 
Сообщение #2 От 29/03/2016 12:12 цитата  

Ау, отзовитесь кто-нибудь......
JohnK 
Комповед
Комповед
Сообщения: 8158
JohnK
 
Сообщение #3 От 29/03/2016 19:41 цитата  

Прикрепленную тему http://monitor.espec.ws/section5/topic198906.html читали? Может быть там ответ найдете.

Перейти: 
Следующая тема · Предыдущая тема
Показать/скрыть Ваши права в разделе

Интересное от ESpec


Другие темы раздела Настольные компьютеры



Rambler's Top100 Рейтинг@Mail.ru liveinternet.ru