| Автор | Сообщение |
|
aiv3006
|
Всем привет ! Имеется блок iso-400 power при малейшей нагрузки на линию 12 в уходит в защиту .Линия 5 в нагрузку держит без проблем .Диоды ШОТКИ все целы
По напряжениям
+12 +11,76 (желтый)
+5 + 4,94 (крас)
Деж+3,60 (зел)
фиолет +4,90
синий - 10,87
розовый +3,28
белый -4,56
серый +4,94
Все "литы" выпаены и проверены с помощью LCR - тестер (емкости в норме)
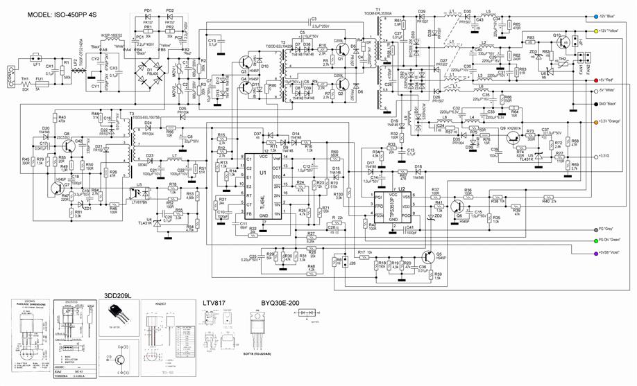
Схема имеется только от iso-450 power но она идентична за исключением отсутствия некоторых компонентов (вместо них тупо дырки ) Я просто первый раз взялся за ремонт АТХ блоков (ремонтировал но не от компов ) Может кто подскажет что еще звякнуть ? Чтобы мне тупо не отпаивать и звякать каждую деталь
iso-450pp-4s.jpg 92.74 КБ Скачано: 611 раз(а)
|
|
groks
Завсегдатай
Сообщения: 393
|
| По 12В должны быть не Шотки а УльтраФасты. Вот если один в сборке пробило, то такие симптомы и наблюдаются. Если сборка была выпаяна и проверена, то ищем неисправность в цепях ОС. |
|
|
aiv3006
|
18 Смотри если отпаять диод D18 то все нормально блок работает как надо
| 34.png |
| Описание: |
|
| Размер файла: |
282.81 КБ |
| Просмотрено: |
339 раз(а) |

|
|
|
groks
Завсегдатай
Сообщения: 393
|
| А справа то что по линии? Обмотка 12В? Диод исправен? |
|
|
aiv3006
|
"А справа то что по линии? " Дружище ну схему ведь дал в самом вопросе ! "Диод исправен?" конечно ( еслиб в нем дело было вопрос закрыл бы   |
|
|
alex485
|
| aiv3006 писал: | | Всем привет ! Имеется блок iso-400 power при малейшей нагрузки на линию 12 в уходит в защиту |
По 12V уже есть нагрузка: резистор R62 и узел управления вентилятором.
Первое, что напрашивается: внимательно осмотрите пайки силовых элементов, часто бывают малозаметные кольцевые трещины, это запросто может быть причиной описанной Вами проблемы (скорее всего - так и есть). Если глазом ничего не увидите, то всё равно - пропаяйте с усердием все силовые цепи, точно, не повредит.
Второе: на всякий пожарный - выпаять сборку ультрафастов по 12V и проверить её.
| aiv3006 писал: | | Все "литы" выпаены и проверены с помощью LCR - тестер (емкости в норме) |
LCR-метр - не помощник, здесь нужен вменяемый ESR-метр, но и здесь есть оговорки: бывает, что на совсем ранней стадии "беременности" электролит выглядит нормально (не вздутый), НО(!), ёмкость увеличена, например, раза в полтора от номинала, а ESR - вообще в нуле (типа - best of the best!), это верный признак того, что электролиту - "звиздец" и в скором времени он вздуется. |
|
|
aiv3006
|
Дружище Блок заработал в штатном режиме ! Почему то на следующий день даже с отпаяным D18 БП уходил в защиту (впаял его на место ) Потом сделал следующие : Отпаял D17 один контакт ( блок естественно не запустился ) я взял и опять эту отпаяную ногу воткнул и блок стал пахать ! ( припоял эту ногу назад ) нагрузка лампочка от поворотника 12 в 21 W ( 1,6 А ) Вот как такое колдовство трактовать ? Я не в понятках ни чего не нашол а блок заработал ! Я с утраопять все кондеры включая силовые отпаял и проверил LCR - тестер Ну все в норме ! Ну че за вафля такая ? Насчет пропая я все с помощью 3 руки просматривал с ней не возможно не пропай пропустить ибо дорожки с мой палец Но ты не подумай что D17 непропаян был ! Он наоборот мертво запаян был

|
|
|
alex485
|
| aiv3006 писал: | Дружище Блок заработал в штатном режиме ! Почему то на следующий день даже с отпаяным D18 БП уходил в защиту (впаял его на место ) Потом сделал следующие : Отпаял D17 один контакт ( блок естественно не запустился ) я взял и опять эту отпаяную ногу воткнул и блок стал пахать ! ( припоял эту ногу назад ) |
Это как раз то, о чём я написал выше
| aiv3006 писал: | нагрузка лампочка от поворотника 12 в 21 W ( 1,6 А ) Вот как такое колдовство трактовать ? Я не в понятках ни чего не нашол а блок заработал ! Я с утраопять все кондеры включая силовые отпаял и проверил LCR - тестер Ну все в норме ! Ну че за вафля такая ? Насчет пропая я все с помощью 3 руки просматривал с ней не возможно не пропай пропустить ибо дорожки с мой палец  |
Кольцевая трещина - это не только явный дефект, порой - это малозаметная очень тонкая тёмная ниточка вокруг пайки, на неё часто не обращают внимания.
Наберите в поиске картинок: "кольцевая трещина" - сразу всё поймёте, в т.ч. - и про "ниточку", о которой я говорил. |
|
|
aiv3006
|
| alex485 писал: | | aiv3006 писал: | Дружище Блок заработал в штатном режиме ! Почему то на следующий день даже с отпаяным D18 БП уходил в защиту (впаял его на место ) Потом сделал следующие : Отпаял D17 один контакт ( блок естественно не запустился ) я взял и опять эту отпаяную ногу воткнул и блок стал пахать ! ( припоял эту ногу назад ) |
Это как раз то, о чём янаписал выше
| aiv3006 писал: | нагрузка лампочка от поворотника 12 в 21 W ( 1,6 А ) Вот как такое колдовство трактовать ? Я не в понятках ни чего не нашол а блок заработал ! Я с утраопять все кондеры включая силовые отпаял и проверил LCR - тестер Ну все в норме ! Ну че за вафля такая ? Насчет пропая я все с помощью 3 руки просматривал с ней не возможно не пропай пропустить ибо дорожки с мой палец  |
Кольцевая трещина - это не только явный дефект, порой - это малозаметная очень тонкая тёмная ниточка вокруг пайки, на неё её часто не обращают внимания.
Наберите в поиске картинок: "кольцевая трещина" - сразу всё поймёте, в т.ч. - и про "ниточку", о которой я говорил. | А еще спросить хотел : Как на этой схеме убрать эту защиту ? Я имею в виду не вообще все поотпаивать касаемое защиты ,а отпаять какой нибудь элемент по обвязке защиты Такое реально нет ? (Я просто так и не научился читать схемы за 26 лет моего хоби а собирать могу ) |
|
|
alex485
|
| aiv3006, Вы не пояснили - для чего, поэтому отвечу вопросом на вопрос: а на фига Вам это нужно? |
|
|
aiv3006
|
Потому что беда какая то ! Что выше описывал уже не помогает .После некоторых включений отключений все возвращается на круги своя ! И все ворачивается к началу вопроса и опять уходит в защиту ! Теперь другой прикол отпаял конец D15 назад впаял .Все заработало ! НО ! перед этим я каждую ножку у каждой детальки каждый контакт где есть вообще олово пропаял !!
Я уже Ху знает что делать Думаю лучьше бы он вообще не работал можно было тупо перепахать по детальке весь блок но один х.. нашолся бы виновник ,а тут ситуация работает через раз под защитой .Такой блок сам понимаешь не то чтоб для компа для усилочка использовать опплюешся .Вот я и подумал если вообще защиту откл да к усилочку прикрутить точнее внедрить в него .Для усилка то По..х что зашиты нет (плата УНЧ 60 руб все равно стоит ) . Это для компа опасно
| 5п.png |
| Описание: |
|
| Размер файла: |
228.04 КБ |
| Просмотрено: |
543 раз(а) |

|
|
|
|
alex485
|
aiv3006, здесь два пути:
1. добиться нормальной работы БП, а потом думать, куда его примастырить.
2. выкинуть на фиг всё, что связано с супервизором и переделать БП под Ваши цели.
_________________________________________
Риторический вопрос: у Вас есть ESR-метр? |
|
|
aiv3006
|
Пока вроде работает погоняю собирать в корпус пока небуду .Слушай пока я вчера сопротивления впаивал и выпаивал по обвязке супервизора , у какого то я ножку отпаял врубил и на выходе стало 13 с чем то вольт и забыл какое Дело в том что у меня сейчас блок 1,5 А нагружен и проседает до 11,40 в (без нагрузки 11,73 в ) Надо было записать какое выпаивал щас бы побольше воткнул и напругу приподнял бы .Может ты знаешь оригинальный способ приподнять 12-вольтную линию |
|
|
alex485
|
aiv3006, все регулировки - по TL494.
Чтобы вырубить слежение супервизора за напряжениями, и как следствие - его влияние на ШИМ (TL494) - попробуйте отпаять одну ногу D15 и включить БП.
Дубль уже неизвестно какой: ESR-метр есть в наличии? |
|
|
aiv3006
|
ESR-метр есть в наличии?[/quote] Китайский у меня с кнопкой и дисплеем от кроны ,ну ты понял  |
|
|
aiv3006
|
Оказывается с нагрузкой 12 в 1,2 А работает .Решил усложнить задачу и подключил шурик более 1,7 А опять срабатывает защита щурик не успевает даже крутануть Выпаял D15 ВО !! Это вещь ! Шурик урутит ада велели я аж рукой до полной остановки патрон тормажу у шурика Ну защита по любому бабушку лахматит Может отчертишь на схеме что конкретно за эту защиту в данном случае отвечает ( я имею в виду обвязку и к данной ситуации ) яб еще раз звякнул .Но это уже точно некондеры . Я думаю если что то найду то это будет либо керамика либо стабилитрон ( хотя без выпайки все прям на плате прозванивал пробитых нет ) ну еще может как вариант сопротивление какое нибудь дурконуло ( на вид все детальки идеальные без потемнений и черноты даже и не падумаешь не на что визуальным осмотром  |
|
|
aiv3006
|
Смотри еще прикол отпаял я D15 поставил тестер на 3- ногу визора Оказалось странное : Если включить блок питание напруги на выходе все есть куллер крутится ,на 3 ноге 0,08 В но как только подключаешь нагрузку на 3 ноге появляется напруга 4,15 в и она не спадает !! хоть откидывай нагрузку хоть не откидывай .Только возвращается в норму после 10 секунд откл . питания . Соттветственно если стоит диод D15 через него на шимку хреначит напруга и шимка уходит из за этого в защиту .Вот и помогает тока отпайка D15 ! Вопрос : От куда напруга после подключения нагрузки там нарисовывается и держится даже без нагрузки ? Я так думаю круг поиска сузился или наоборот
[/url] |
|
|
alex485
|
aiv3006, условно говоря, первый этап пройден - пропаяны все пятаки.
Этап №2: прозвонка с пристрастием - полупроводников.
Этап №3: проверка всех электролитов на соответствие параметрам, то бишь - ёмкость и ESR
Поскольку ESR-метр «не кошерный» - не позволяет измерять электролитическую мелочь (и не мелочь - тоже) непосредственно в плате, то выпаивайте их, давайте им остыть минут пять, а потом уже измеряйте параметры, т.е. все кондёры - «квадратно-гнездовым» ))
Этап №4: любой ремонт (после внешнего осмотра, первичной диагностики и пропайки пятаков) должен начинаться с проверки питания, вот и начинайте с «дежурки» - убедитесь, что к «дежурке» нет вопросов - от слова «вообще».
Этап №5: скачайте описание TLки (на русском языке), изучите его, а потом подайте на этот ШИМ 12 вольт от отдельного источника и убедитесь при помощи осцилkографа, что к TLке тоже нет вопросов - от слова «вообще».
з.ы. если Вы хотите восстановить блок, то восстанавливайте, если есть желание его переделать - забудьте про этот супервизор «форевер». |
|
|
aiv3006
|
с «дежурки» - убедитесь, что к «дежурке» нет вопросов - от слова «вообще». Чуток не пойму ,а какие вопросы по дежурки если блок полностью работает без D 15 ? Если б что то с дежуркой он бы не запускался или я ошибаюсь ?
на этот ШИМ 12 вольт от отдельного источника и убедитесь при помощи осцилkографа, что к TLке тоже нет вопросов - от слова «вообще». Вопрос а для чего такой эксперемент если она тоже рабочая ? Я понимаю если блок не пускался , не стартовал что то в эом духе !
Тут дело то от куда на 3 наги визора напруга образовывается и держится с 0,08 в до 4,75 ? Как тут шим ка то виновата может быть ?
ДОБАВЛЕНО 22/05/2019 00:30
"уже измеряйте параметры, т.е. все кондёры - «квадратно-гнездовым» )) " Я сегодня не поленился и уже 3 раз все электролиты выпаял проверил и назад впаял идеально ! Это не выход я думаю 6 ,7,8 раз по кругу все выпаивать проверять и назад впаивать зная зарание уже что каждый конденсатор в норме это не выход . Тут 99% что то другое
"убедитесь при помощи осцилkографа," кстате у меня его нет
ДОБАВЛЕНО 22/05/2019 00:37
Тут нужно подумать почему при нагрузке на 3 ноге появляется напруга под 5 вольт и не спадает даже при отключении нагрузке ( в то время до подключения нагрузки оно равно 0,08 в ) как будто гдето реле on 5 v срабатывает на 3 ногу и не отключается ! Может это супервизор бабушку лохматит ? Как бы вот мне его проверить ? Хотябы просто отключить его щупальцы от выходов чтобы он не видел что нагрузка подключена и посмотреть на 3 ногу напруга подскочет или нет .Что посоветуешь отпаять чтобы такую манипуляцию проделать ? |
|
|
alex485
|
aiv3006, без обид, но Вы ждёте, пока Вас, прошу пардону, ткнут носом... я не отказываюсь помочь (чем смогу), но разводить писанину о том, что уже давно растолковано на просторах Сети...
Просто поищите подробные описания TL494 и WT7510, там всё разжёвано доступно - без формул и высшей математики, в т.ч. и по выводам, и их назначению.
Я не знаю, сложно ли в вашей местности приобрести б/у рабочий осциллограф, типа С-112 с делителем 1:10, но его или подобного ему за глаза хватит для «разбора полётов» и решения проблем при ремонте импульсных БП, в конце-концов за 40-50 у.е. можно купить USB осциллограф на Али, причём, по своим х-кам, он будет не самый плохой.
До кучи - для развязки от сети 230V, два трансформатора, типа ТН-61, соединённые между собой вторичными обмотками и одна первичка - в 230V, а вторая - к БП, тоже пригодятся - для того, чтобы смотреть осциллографом , что творится под нагрузкой на силовых ключах и т.д.,хотя в ремонте это нужно и не так часто.
Что касаемо электролитов, то, например, ESR нормального конденсатора 1.0 Х 50V - около 10 - 11 Ом, ну пусть 12 Ом, но существует ещё фишка ещё в том, что если тем же MS5308 измерить ESR и ёмкость не совсем хорошего (подгулявшего) электролита 1.0 Х 50V на частоте, скажем, 1 кГц, а потом - на частоте 100 кГц, то говённый электролит может упасть по ёмкости в ноль, а по ESR - улететь в сотни Ом, это касается и электролитов с бОльшей ёмкостью - их параметры с повышением частоты могут упасть ниже плинтуса и если такой электролит, например, 1000.0 Х16V, стоит после диодной сборки и ДГС - ничего хорошего не ждите, ибо он сглаживает пульсации частотой десятки кГц. |
|

|