| Автор | Сообщение |
|
Dikoy44
|
| Чем меньше лампочка, тем ниже ток. Почему в этой диаграмме пусковой ток на 220В выше чем на 115? Это противоречит физике и апфц в целом. |
|
Witewut
Завсегдатай
Сообщения: 310
|
| Без понятия напишите в гугле "inrush current ATX" и любуйтесь диаграмами |
|
|
Dikoy44
|
Ну это хрень. У меня есть опыт эксплуатации техники в сетях 110 и 220В. У буржуев даже штатный ток в розетке 15А вместо наших 6 и проводка толще, соответственно. И при равной энергии заряда входных цепей пусковой ток в 110 будет выше всегда! Кто и чем мерил эти диаграммы я ХЗ.
В общем, всё завелось. БП работает в компе.
Удивительно, но при полном пробое ВВ транзисторов умерли только они и ничего более не было задето. |
|
|
xolod79
|
| groks писал: |
xolod79, Наверное. Но получается, что 3,3 на выходе не контролируется? Либо шибко думать, либо перепаять там всё к чертям. |
В data sheet на TSM111 на писано, что он контролирует повышение напряжения, и похоже пониженное или отсутствие напряжение он не контролирует.
На БП есть сигнал +3.3VSB я так понимаю через него он точно замеряет напряжение на самой нагрузке. Его обязательно коротить на +3.3V если нет нагрузки? |
|
Witewut
Завсегдатай
Сообщения: 310
|
|
|
Kir3D
|
Добрый день!
Подскажите, кому-нибудь приносили на ремонт HIPRO (HIPO DIGI) HPP-650W ?
Стоит ли волноваться? Искался нормальный БП с пассивным PFC.
(их сейчас неохотно делают, да с такой заявленной мощностью)
P.S. если были ахтунги с этим или другими HPP-***, у меня еще есть пара дней на возврат. Заранее благодарен!
(edit): главное, что волнует - уйдет ли он в защиту при КЗ на любой линии и не будет ли сильных перекосов напряжения на "противоположных" линиях при стабилизации? (простите, не знаю как грамотно это сформулировать)
Сейчас читаю темы с поиска "HiPro" здесь, выбирая HPP варианты - но чей-то опыт может отличаться от прочитанного значительно. |
|
groks
Завсегдатай
Сообщения: 393
|
| Kir3D, Да всем им положено в защиту уходить и при КЗ и при перекосах. Но лучше КЗ не устраивать, зачем? Куда он будет ставиться, что могут быть перекосы? |
|
|
Kir3D
|
| groks писал: | | Kir3D, Да всем им положено в защиту уходить и при КЗ и при перекосах. Но лучше КЗ не устраивать, зачем? Куда он будет ставиться, что могут быть перекосы? |
КЗ сам устраивать не буду )) Но мало ли... бывают в жизни огорченья... и кто-нибудь, допустим, решит проверить шутку с вилкой в USB )
Уже стоит в новом компе, ничего сверъестественного, даже разгон не планируется. Но просто хочется подстраховаться. Потому и спрашиваю. Смотрел вчера ролик одного товарища-ремонтника. Он рассказал случай одной клиентки: у неё блок Aerocool VX-700 сгорел. В реале - не пшик и все, а загорелся пламенем. Комп работал без игровых нагрузок. Т.е. вообще непонятно - как и почему.
Другой товарищ показывал как другой VX не уходит в защиту при КЗ на 5v. Ну да, он его замкнул. |
|
|
Morlock
|
|
|
porshik
|
Подскажите куда копать БП Power Man IP-S450T7-0 схема есть http://smanuals.ru/files/fileadmin/servicemanuals/Computer/PowerUnit/PowerMan/img/powerman-ip-s450t7-0-sch_1.gif
Изначально на выходах низкое напряжение, по шине12в где то 4 вольта. Дежурки не было, откинул транзистор Q5 который запитывает UC3845 - появилась дежурка 5в. На UC3845 подал 12в, пила на 4 пин кривая, меандр в нижней части норм, в верхней кривой, если разорвать 6пин то все ок. драйверные транзисторы проверил, силовые тоже, диоды все прозвонил. пухших Электротитов нет. Оптопары тоже живые |
|
|
svm5591
|
Починял пару Корсаров 1000 Вт. (Corsair RM1000x)/ Случаи не сложные. Однако попробую выложить сюда файлик, может кому пригодится.
Corsair RM1000x.rar 2 МБ Скачано: 638 раз(а)
|
|
|
svm5591
|
| svm5591 писал: | | Однако попробую выложить сюда файлик |
Ошибка. Выводы синхр выпрямителя и инвертора перепутал в описании, на схеме правильно. Надо так:
1- +400 вольт.
2-пустой
3- вход с токового шунта R8, R9
4 - вход BOP U102
5- Вход обратной связи по +12V от оптрона U5
6- Общий.
7- + VCC около 17-18 вольт в рабочем режиме.
8- Выход GATE на тр-ры APFC.
9- Общий.
10- Не нарисовал.... Подпись у меня такая - "на EnA(2)
11 - Выход на синхр. выпрямитель HG
12- Выход на синхр. выпрямитель LG
13- Выход VB_OK на тр-р Q102 и оптрон U6.
14- Вход CS U102 c резонансного контура.
15- Выход нижнего ключа.
16- Выход верхнего ключа.
17- Выход на неприпаянную оптопару U9 |
|
|
tibet1
|
| Добрый день.никто случайно не сталкивался с бп Deus G1 600w не могу схему найти |
|
Witewut
Завсегдатай
Сообщения: 310
|
|
|
tibet1
|
| Спасибо но по этой ссылке пишет Запрошенной темы не существует. |
|
Witewut
Завсегдатай
Сообщения: 310
|
| тема "aerocool v12xt-700 не работает APFC нет PGO" |
|
|
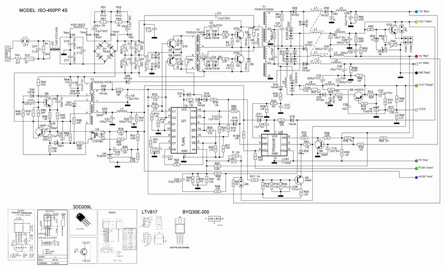
aiv3006
|
Всем привет ! Имеется блок iso-400 power при малейшей нагрузки на линию 12 в уходит в защиту .Линия 5 в нагрузку держит без проблем . если отпаять диод D18 то все нормально блок работает как надо
.Диоды ШОТКИ все целы
По напряжениям
+12 +11,76 (желтый)
+5 + 4,94 (крас)
Деж+3,60 (зел)
фиолет +4,90
синий - 10,87
розовый +3,28
белый -4,56
серый +4,94
Все "литы" выпаены и проверены с помощью LCR - тестер (емкости в норме)
Схема имеется только от iso-450 power но она идентична за исключением отсутствия некоторых компонентов (вместо них тупо дырки ) Я просто первый раз взялся за ремонт АТХ блока (ремонтировал но не от компов ) Может кто подскажет что еще звякнуть ? Чтобы мне тупо не отпаивать и звякать каждую деталь
iso-450pp-4s.jpg 92.74 КБ Скачано: 434 раз(а)
|
|
|
Morlock
|
svm5591,  |
|
|
Maider
|
| xolod79 писал: | "Старообрядческий" он потому, что нагрузка в виде матери сервака такая же. Думаю что проблема в +3.3в лини потому, что смотрел все лини осциллографом линия "5в" выше 5 вольт не поднимается, в вот "3.3в" при старте поднимается до 4.4 вольта.
|
10 "Корсайров" VS-550" поднял недавно. У всех одна проблема - завышено или занижено 3,3 Вольта. Неисправность была проста - транзистор рядом с TL431(здесь по схеме R143) производитель ставит SMD,, они не держат. Пришлось поставить "нормальные", места навалом. |
|
|
Alexhc
|
Cooler Master Silent Pro M2 1000W периодические выключения с последующим включением, не зависит от нагрузки. Иногда холодный старт задерживается на пару секунд. Все напряжения в норме, дежурка на месте. При закорачивании супервизору 3 ноги на землю комп не выключается при затыках а типа ресетится. Все кондеры (японско-корейские) проверены ЕСР метром и в порядке. Подскажите пожалуйста куда копать?
Дежурка - A6069H
Шим - СМ6802, СМ03Х
Свизор - РS232S |
|